Перейти к содержанию
           
Партнёры
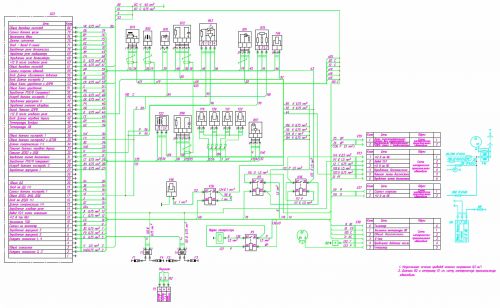
Схема управления двигателем ГАЗ-2705 и ГАЗ-3221 (4х2) УМЗ Евро-3

Документация » Электросхемы » Схема управления двигателем ГАЗ-2705 и ГАЗ-3221 (4х2) УМЗ Евро-3

Четверг, 09 Мая 2013 17:01

Схема управления двигателем ГАЗ-2705 и ГАЗ-3221 (4х2) УМЗ Евро-3

Схема  управления двигателем  ГАЗ-2705 и ГАЗ-3221 (4х2)  УМЗ Евро-3 

Схема электрическая принципиальная управления двигателем газель 2705 с двигателем умз 4216 евро3 :

В63 - датчик абсолютного давления; В70 - датчик температуры; В72- датчик кислорода; В74 - датчик синхронизации и скорости вращения; В76 - датчик положения заслонки дросселя; В91 - датчик фазы; В92 - датчик детонации; В97 - датчик неровной дороги; В98 - датчик кислорода диагностический; D23 - блок управлении; F1,F2,F3,F4 - свечи зажигания; К9,К36 - реле электромагнитное; К46 - реле электромагнитное; Т1,Т4 - катушка зажигания; Т5 - сдвоенная катушка зажигания; Y19,Y20,Y21,Y22 - форсунки электромагнитная; Y23 - регулятор холостого хода; Y46 - клапан продувки адсорбера; Y48 - муфта электромагнитная отключения вентилятора; Х37,Х38,Х53,Х39 - колодки соединительные; Х51 - колодка диагностики

Просмотров: 23886

[ Назад ]
Поиск по Сайту
Мы в VK
Кто Online

 Гостей: 3998
 Видимых: 18

 Всего: 4016
  
valemat, B.V.A, philimon, german, Knyz 163, алексей 123 93, Олег Ф., Рюрик35, Алексей Ф., PanDiman, соболевич, Валерий(69), Alex030569, MAGNUS, dtrans, Старый клапан, megaladon, LeXeR
Расчет расстояний

Расчет расстояния между городами
От:
До:
Через:

×
×
  • Создать...