Соболёк 282 619 Опубликовано 14 сентября, 2013 да не вопрос. отсылай и пиши телефон. я тебе положу на телефон и фотку чека вышлю.Ну вобщем это ты должен дать свои координаты куда слать и платить будешь в ТК при получении , мне ничего не надо кидать на телеПон, просто так хочу отдать , жалко выкинуть ! Поделиться сообщением Ссылка на сообщение Поделиться на другие сайты
dvitriy.40rus 500 Опубликовано 14 сентября, 2013 хорошо. отпишусь в личку. Поделиться сообщением Ссылка на сообщение Поделиться на другие сайты
колобок 7 167 Опубликовано 14 сентября, 2013 вопрос больше из за течи там. что лучше поставить. алюминиевые шайбы или медные? чтобы не капало.и по поводу магистрали подачи топлива. у меня идет трубка, а потом шланг к помпе. помпой ты называешь подкачку?шайбы я всегда ставил медные,везде стояли шланги(штатно),никогда не заморачивался подогревом соляры,заправки только Газпром,при температуре ниже 30 тупо добавлял 10% бензина,одно лето ездил на трансформаторном масле(в баке),лил в бак отработку и вообще всё масло в шараге изъездил,так что нежности топливной незаметил Поделиться сообщением Ссылка на сообщение Поделиться на другие сайты
dvitriy.40rus 500 Опубликовано 14 сентября, 2013 спасибо понял. Поделиться сообщением Ссылка на сообщение Поделиться на другие сайты
dvitriy.40rus 500 Опубликовано 14 сентября, 2013 в педалях интересно продаются эти штуки под отвертку,а то токарь говорит грани тока сделаю а как крутить эту штуку ключем вообще не варианттак пусть сделает просто круглое, а ты болгаркой нарежешь риски. но еще и надо сделать прорезь в кожухе тормозных колодок. если надо то сделаю фотку. остальное нарисую. (разбирать опять не вариант) Поделиться сообщением Ссылка на сообщение Поделиться на другие сайты
dvitriy.40rus 500 Опубликовано 21 сентября, 2013 медленно но уверенно двигаюсь вперед.сварил кронштейны и поставил пластиковые крылья.сделал новую проводку от зада до кабины и сварил задний бампер ну и поставил новые фонари.рама будет красится когда буду варить бортовую платформу.у кого есть схема проводки на дизельного газона евро два? надо очень. Поделиться сообщением Ссылка на сообщение Поделиться на другие сайты
Гагарин 2 009 Опубликовано 21 сентября, 2013 так пусть сделает просто круглое, а ты болгаркой нарежешь риски. но еще и надо сделать прорезь в кожухе тормозных колодок. если надо то сделаю фотку. остальное нарисую. (разбирать опять не вариант)было бы не плохо,сделай если не трудно Поделиться сообщением Ссылка на сообщение Поделиться на другие сайты
Гагарин 2 009 Опубликовано 21 сентября, 2013 http://yandex.ru/clck/jsredir?from=yandex.ru%3Byandsearch%3Bweb%3B%3B&text=%D1%84%D0%BE%D1%80%D1%83%D0%BC%20%D0%B3%D0%B0%D0%B7%203309&uuid=&state=AiuY0DBWFJ4ePaEse6rgeAjgs2pI3DW99KUdgowt9XvqxGyo_rnZJpNjfFDg3rinwByvMkgqk_KpKJfNaLviwGBm4z1oaAfvDvdO37daE-VJTDearnBzJcp-8HDndbVqFTPvs_Gut3GYtggs-WQJzXmeARUNo8JPuTO221XNO-vwR-O6rO1BcnKcTJqsjEbK&data=UlNrNmk5WktYejR0eWJFYk1LdmtxaTNTblNVT3FJeERMLUtNZmtRRm15aG9wdjhtY1VRRkZ6N19sRFk0a1JfQ2dRUHVTVzJPR3pjZ01TUVdnSTVUeFRoZ1c3QUR4U2kwUGtWUGwtM0gtU3luM2RmbzBQcmx5V0FIRE1wUDlHS0JBXzFjaFN3a0w4bHpGSC1xZnM4emN3&b64e=2&sign=7ad7420cf99183bb74905cdbccc6b499&keyno=0&l10n=ru&mc=3.773557262275185http://yandex.ru/clck/jsredir?from=yandex.ru%3Byandsearch%3Bweb%3B%3B&text=%D1%84%D0%BE%D1%80%D1%83%D0%BC%20%D0%B3%D0%B0%D0%B7%203309&uuid=&state=AiuY0DBWFJ4ePaEse6rgeAjgs2pI3DW99KUdgowt9XtO8xHuNro5yXlCnIfEmn4cAx2IW7uGnR-vHjJrGh3zrm9e5bZ5dzw5ibj5X6YWnCTH1rj6oRdqBTd_5GRTmj-oiZ3NuECcYoRSgrBo9s0hl4Rt8JkOWDY0Fol9rkY4Lz6v5vmLEALDUnjkGZ-nzQK_V1iZAB_tYWw&data=UlNrNmk5WktYejR0eWJFYk1LdmtxaG1COGVVT2c5cXpyWjFVQ3FmRkllTExpdkFRREVyU0M5dFY1OGNGZkpQZm9wS0ZZWU80bl9tOWh6cGRRWUxrUzByQ1J1WUgzVnhuQllmX243eVROd1dyZ3dpUFh2c2ZWczJ1cTlhUko1VXQ&b64e=2&sign=be0d4e62357538e5ab3ed8cd28e49a30&keyno=0&l10n=ru&mc=4.838562939644918мож пригодится Поделиться сообщением Ссылка на сообщение Поделиться на другие сайты
dvitriy.40rus 500 Опубликовано 21 сентября, 2013 мож пригодитсяя уже все облазил. везде ка обычно. разобрались с проблемой и ушли с форума, а как разобрались уже не пишут. Поделиться сообщением Ссылка на сообщение Поделиться на другие сайты
efim_tula 167 Опубликовано 21 сентября, 2013 тоже присматриваю себе газончика, т.к. удлинить до 6.50 можно, и г.п. до 5 тонн. а то газелька слабовата много металла возить особенно когда он 12 метровый. нужная тема. Поделиться сообщением Ссылка на сообщение Поделиться на другие сайты
колобок 7 167 Опубликовано 21 сентября, 2013 у кого есть схема проводки на дизельного газона евро два? надо очень.у меня есть книга от дизельного ПАЗлика Поделиться сообщением Ссылка на сообщение Поделиться на другие сайты
dvitriy.40rus 500 Опубликовано 21 сентября, 2013 скинь. может поможет. но и если у кого еще есть тоже скиньте. Поделиться сообщением Ссылка на сообщение Поделиться на другие сайты
dvitriy.40rus 500 Опубликовано 21 сентября, 2013 тоже присматриваю себе газончика, т.к. удлинить до 6.50 можно, и г.п. до 5 тонн. а то газелька слабовата много металла возить особенно когда он 12 метровый. нужная тема.а что его присматривать? берешь и восстанавливаешь. смотри кабину и мотор, чтобы были в приемлемом состоянии. но з/ч не дешовые. обрати внимание на номер кабины! можно много скинуть на экспертизу. она бесплатная но на месяц делов. кронштейны амотртов, за переклепку тоже можно торгануться. коробка чтобы 4 передача была в норме. ну и рама без трещин. лучше взять короткого и самому удлинить. дешевле выйдет. но это время. так что смотри сам.длина кузова только 6,2м если быть точным. но если самому делать кузов то можно и 6,5.к стати на раму газона встает все от газели. ну это так к слову.диски колес встают от валдая но нужен мост оборотистый. встает пассажирское сиденье от газели, можно и поспать при необходимости. но кабина уже. короче свои плюсы и минусы.но газон как прост так и гемороен. газель просто сказка в сравнении. Поделиться сообщением Ссылка на сообщение Поделиться на другие сайты
Соболёк 282 619 Опубликовано 21 сентября, 2013 тоже присматриваю себе газончика, т.к. удлинить до 6.50 можно, и г.п. до 5 тонн. а то газелька слабовата много металла возить особенно когда он 12 метровый. нужная тема.А что, это тема, тоже задумался - http://www.avito.ru/rybinsk/gruzoviki_i_spetstehnika/gaz_3309_dizel_2005g_214518212 Поделиться сообщением Ссылка на сообщение Поделиться на другие сайты
efim_tula 167 Опубликовано 22 сентября, 2013 делают 6.5, оттс существует, база не 4.7 а 4.9 или 5, точно не помню Поделиться сообщением Ссылка на сообщение Поделиться на другие сайты
dvitriy.40rus 500 Опубликовано 22 сентября, 2013 а что тут задумываться? если есть работа то надо брать! Поделиться сообщением Ссылка на сообщение Поделиться на другие сайты
Соболёк 282 619 Опубликовано 22 сентября, 2013 а что тут задумываться? если есть работа то надо брать!Да это то понятно конечно , но я ищу вариант такой , чтоб кубатура как у фуры была , грузоподъёмность как у трала , а жрала бы как газель , вот не наткнулся ещё на такое изобретение , в поисках пока. :lol: :lol: ;) Поделиться сообщением Ссылка на сообщение Поделиться на другие сайты
dvitriy.40rus 500 Опубликовано 22 сентября, 2013 купи парусник. :D :D :D Поделиться сообщением Ссылка на сообщение Поделиться на другие сайты
Соболёк 282 619 Опубликовано 22 сентября, 2013 купи парусник. :D :D :DНу если только на колёсах ! :lol: Поделиться сообщением Ссылка на сообщение Поделиться на другие сайты
колобок 7 167 Опубликовано 22 сентября, 2013 ну вот ,как то так Поделиться сообщением Ссылка на сообщение Поделиться на другие сайты
dvitriy.40rus 500 Опубликовано 22 сентября, 2013 большое спасибо!!!!но очень жаль что не то. :( Поделиться сообщением Ссылка на сообщение Поделиться на другие сайты
колобок 7 167 Опубликовано 22 сентября, 2013 большое спасибо!!!!но очень жаль что не то. :(почему не то? :blink: Поделиться сообщением Ссылка на сообщение Поделиться на другие сайты
dvitriy.40rus 500 Опубликовано 22 сентября, 2013 другое цветовое обозначение и отсутствие разъемов проводки. Поделиться сообщением Ссылка на сообщение Поделиться на другие сайты
колобок 7 167 Опубликовано 22 сентября, 2013 другое цветовое обозначение и отсутствие разъемов проводки.ну это я незнаю,а так в общем тоже самое Поделиться сообщением Ссылка на сообщение Поделиться на другие сайты
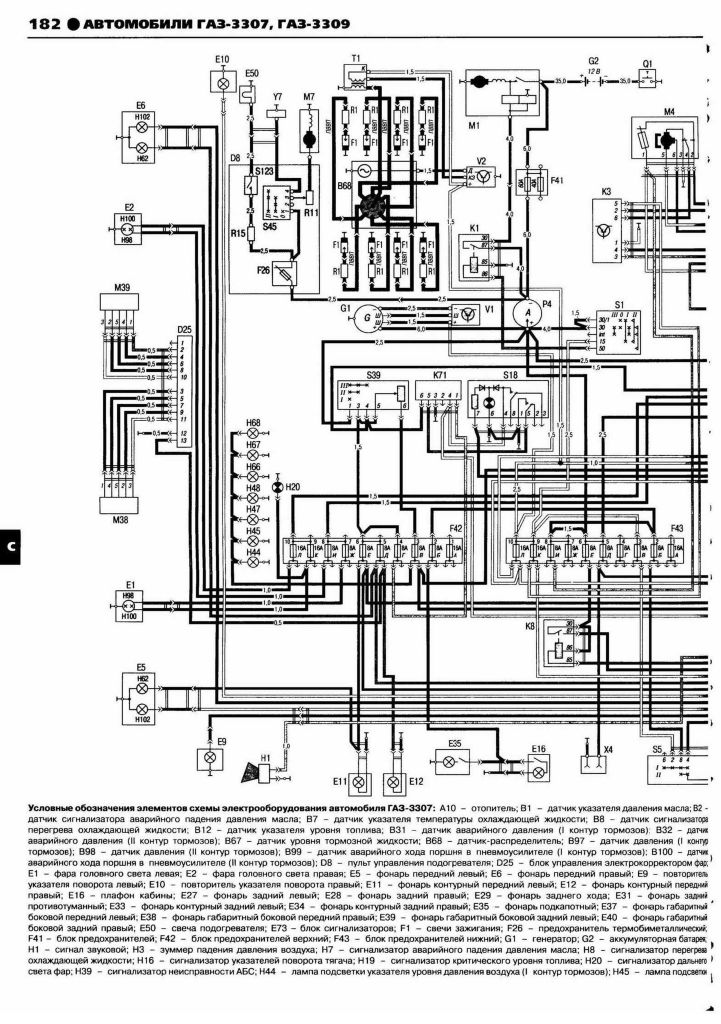
dvitriy.40rus 500 Опубликовано 23 сентября, 2013 (изменено) нашел электро схему на 3307-3309остальную часть схем уже не могу выложить. больше не могу выкладывать фотки и файлы в своей теме. кончился лимит. админы снимите ограничение. или закрывать тему? так как без фоток не вижу смысла продолжать. Изменено 23 сентября, 2013 пользователем dvitriy.40rus Поделиться сообщением Ссылка на сообщение Поделиться на другие сайты