Перейти к содержанию
           
Партнёры
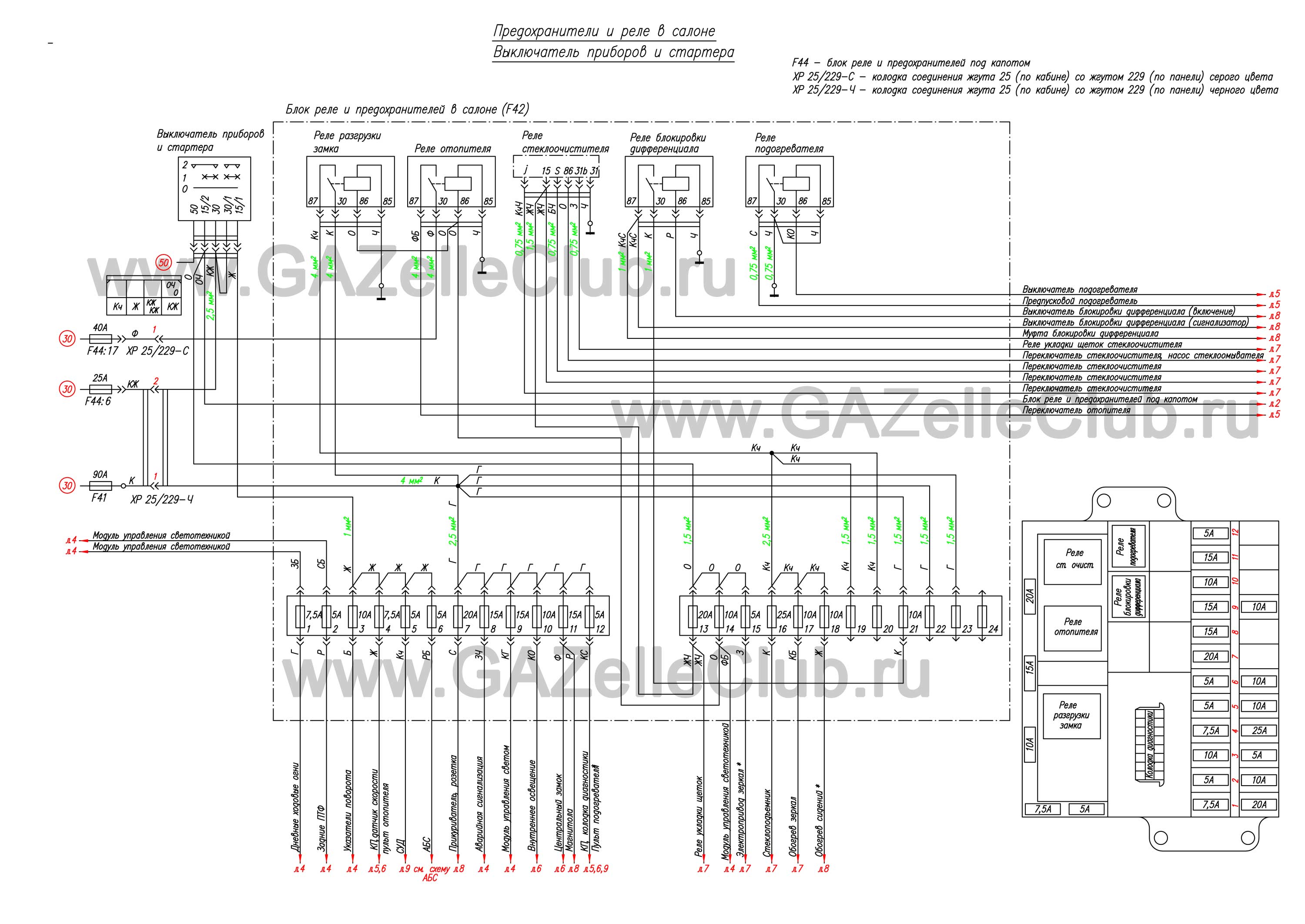
Схема блок реле и предохранителей в салоне Газель Некст A21R23

Документация » Электросхемы » Схема блок реле и предохранителей в салоне Газель Некст A21R23

Воскресенье, 27 Ноября 2016 15:16

Схема блок реле и предохранителей в салоне Газель Некст A21R23

 

Схема Выключатель приборов и стартера, блок реле и предохранителей в салоне Газель Некст A21R23

Схема Выключатель приборов и стартера, блок реле и предохранителей в салоне Газель Некст A21R23

Просмотров: 9627

[ Назад ]
Поиск по Сайту
Мы в VK
Кто Online

 Гостей: 1500
 Видимых: 9

 Всего: 1509
  
Макаренков, Alex030569, Rhardi, Валерий(69), Павел П, роман0880, красногорск, PanDiman, Pancho
Расчет расстояний

Расчет расстояния между городами
От:
До:
Через:

×
×
  • Создать...