Toyota007 2 891 Опубликовано 21 октября, 2016 Я вот так снял, хотя есть съёмник!видео прикольное,но по сути она должна так идти на перекос...не должна она так стянуться. Поделиться сообщением Ссылка на сообщение Поделиться на другие сайты
aut96 127 Опубликовано 21 октября, 2016 Я спрашиваю про шкив коленвала, про ш.р. вопроса небыло. Поделиться сообщением Ссылка на сообщение Поделиться на другие сайты
dvitriy.40rus 500 Опубликовано 21 октября, 2016 усилишь в одном месте, треснет в другомОна с рождения умз была железной. Чего там усилится? И где треснет? Вопрос больше где взять Я спрашиваю про шкив коленвала, про ш.р. вопроса небыло.А зачем спрашивать? Радуйся. Значит посадочное хорошее. Поделиться сообщением Ссылка на сообщение Поделиться на другие сайты
savyol 91 Опубликовано 21 октября, 2016 Я спрашиваю про шкив коленвала, про ш.р. вопроса небыло.Проглядел! Но флянец,а не шкив тоже особых трудностей не вызвал.Машина во вторых руках,но я первый кто снимал флянец и ш.р.в.Ну а по работе знаю. Этот флянец не любой съёмник снимит. Поделиться сообщением Ссылка на сообщение Поделиться на другие сайты
dvitriy.40rus 500 Опубликовано 21 октября, 2016 Ну на шкиву ремень. Что за флянец такой? Поделиться сообщением Ссылка на сообщение Поделиться на другие сайты
Максим187 41 Опубликовано 21 октября, 2016 aut96,Снимал лежа. Двумя монтажками одновременно. Наличие широкого арсенала монтажек - обязательно! А самое главное верить в успех! Иногда подкусывало, немного подбивал обратно и снова потихоньку продолжал снимать! В моем случае его сложнее было установить. Расстояние между шкивом и радиатором минимальное, пока достала резьба храповика для запрессовки, пришлось прилично поизголяться молоточком! 1 Поделиться сообщением Ссылка на сообщение Поделиться на другие сайты
savyol 91 Опубликовано 21 октября, 2016 Шкив прикручен к флянцу. Поделиться сообщением Ссылка на сообщение Поделиться на другие сайты
Максим187 41 Опубликовано 21 октября, 2016 Она с рождения умз была железной. Чего там усилится? И где треснет?Вопрос больше где взять А зачем спрашивать? Радуйся. Значит посадочное хорошее. А зачем спрашивать? Радуйся. Значит посадочное хорошее.У меня машина 2015 года, первый раз разбиралась! Я радовался что там всё как должно быть! А не как всегда: газовая грелка, съемник, помощь соседа, звонок специалисту, позднее расстройство, что все делал не правильно! Поделиться сообщением Ссылка на сообщение Поделиться на другие сайты
dvitriy.40rus 500 Опубликовано 21 октября, 2016 Нужен просто хороший съемник для первого раза Поделиться сообщением Ссылка на сообщение Поделиться на другие сайты
игнат 1 301 Опубликовано 21 октября, 2016 Я спрашиваю про шкив коленвала, про ш.р. вопроса небыло.в конце августа на новгородской объездной менял шестерню(на обочине),и шкив и саму шестерню снял без проблем(две монтажки и потихонечку),а на предыдущем моторе дома два дня возился,шестерню съёмником снимал(самодельным в сервисе одолжили). 1 Поделиться сообщением Ссылка на сообщение Поделиться на другие сайты
dvitriy.40rus 500 Опубликовано 21 октября, 2016 Шкив прикручен к флянцу.То есть к демпферу? У всего свои имена. Я просто в прошлом токарь и меня вводит в тупик не правильное название некоторых вещей. Поделиться сообщением Ссылка на сообщение Поделиться на другие сайты
Валерий(69) 1 511 Опубликовано 21 октября, 2016 Ну на шкиву ремень. Что за флянец такой?Наверное это ступица шкива. Поделиться сообщением Ссылка на сообщение Поделиться на другие сайты
dvitriy.40rus 500 Опубликовано 21 октября, 2016 Я уже написал название по книжке. Поделиться сообщением Ссылка на сообщение Поделиться на другие сайты
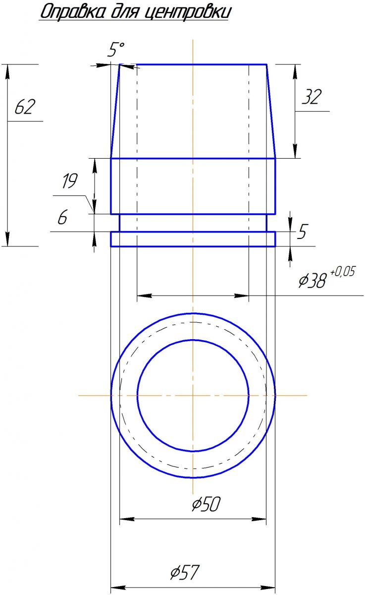
Валерий(69) 1 511 Опубликовано 21 октября, 2016 После съема передней крышки, ее надо будет центровать иначе сальник может стать со смещением и через какое то время потечет. Я делал вот такую оправку: Поделиться сообщением Ссылка на сообщение Поделиться на другие сайты
savyol 91 Опубликовано 21 октября, 2016 А я ничего не делаю,просто крышку затягивают после того как одену ступицу кв. 2 Поделиться сообщением Ссылка на сообщение Поделиться на другие сайты
oberst 200 Опубликовано 21 октября, 2016 А не проще ли фланец поставить, а потом крышку затянуть, чем оправку точить? ;) Поделиться сообщением Ссылка на сообщение Поделиться на другие сайты
Alexey595 29 Опубликовано 21 октября, 2016 С оправкой крышка центруется не по сальнику, а по отверстию в крышке. Так точнее получается. Поделиться сообщением Ссылка на сообщение Поделиться на другие сайты
dvitriy.40rus 500 Опубликовано 21 октября, 2016 oberst,А какая связь то? Сальник трётся по колену. Поделиться сообщением Ссылка на сообщение Поделиться на другие сайты
Валерий(69) 1 511 Опубликовано 21 октября, 2016 А я ничего не делаю,просто крышку затягивают после того как одену ступицу кв.Я тоже два раза ничего не делал на третий выточил оправку и забыл про сальник. А не проще ли фланец поставить, а потом крышку затянуть, чем оправку точить? ;)Шпильки могут быть смещены (согнуты) и подвинуть крышку просто не получится. На крышке в отверстии под сальник есть три выступа, они сделаны чтобы можно было отцентровать крышку оправкой. Поделиться сообщением Ссылка на сообщение Поделиться на другие сайты
savyol 91 Опубликовано 21 октября, 2016 Да я ничего не имею против оправки. Просто за больше 15-ти лет не одного потёкшего сальника. Поделиться сообщением Ссылка на сообщение Поделиться на другие сайты
Алексей Ф. 10 198 Опубликовано 21 октября, 2016 А не проще ли фланец поставить, а потом крышку затянуть, чем оправку точить? ;)Мои бубуки по моему в этот раз сначала крышку прикрутили , а потом шкив с флянцем прикрутили в сборе (( Если шкив не откручивать от флянца , то по моему и не затянуть будет крышку если флянец вместе со шкивом поставлены на место. Поделиться сообщением Ссылка на сообщение Поделиться на другие сайты
szxw 0 Опубликовано 21 октября, 2016 Народ может всетаки хоть предположение какое кто выскажет по моей проблеме ?а то ума не могу уже дать че делать Поделиться сообщением Ссылка на сообщение Поделиться на другие сайты
странNik 247 Опубликовано 21 октября, 2016 на предыдущих съело шайбу пластиковую не пойму из-за чегоа с чего она пластиковая?по инжекторам не очень(не до них) но там датчик распреда на резине,и от зазора очень всё влияет,сосед мается( Поделиться сообщением Ссылка на сообщение Поделиться на другие сайты
szxw 0 Опубликовано 22 октября, 2016 а с чего она пластиковая?по инжекторам не очень(не до них) но там датчик распреда на резине,и от зазора очень всё влияет,сосед мается(Ну с текстолита или чёт такое она... Я уже думаю посадочное датчика шлифануть чуток попробовать, чтоб зазор уменьшить... Поделиться сообщением Ссылка на сообщение Поделиться на другие сайты
странNik 247 Опубликовано 22 октября, 2016 так позырь..даже на текстолите оно там железянное,а не того из чего шестерня Поделиться сообщением Ссылка на сообщение Поделиться на другие сайты