ivan4310 255 Опубликовано 18 мая, 2014 а на УМЗ двигатели бортовики есть? если есть то лучше с бортовика попробовать поменять температуру как у ЗМЗБортовики есть,только стоят не мало и не на всех можно заменить!У меня мозги микас 10.3,на них точно никаким бортовиком нельзя поменять!Может у тебя микас 12,и может у тебя можно,но я не уверен,по этому не знаю. про тройник понял,про датчик тоже а про минусовой провод не догоняю куда и как ,если можно по подробней или схему пожалуйста дабы избежать других проблем!! Просто на умз все релюшки включаются подаванием на них минуса!То есть к реле уже подведен постоянный плюс,и что бы оно включилось нужно подать минус!Для этого берем минус с любой массы,хоть от движка хоть от кузова,ведем его к датчику в патрубке,а от датчика подводим к управляющему проводу реле муфты!Для начала нужно найти какое реле отвечает за муфту,я писал ранее как это сделать!Ну а где на реле минус а где плюс легко узнать с помощью вольтметра,лампочки контрольки и тд... :)я себе за 500 рублей купил проводок для диагностики и сам все себе делаю и другим бесплатно посмотрю.на диагностику ездить смысла нет.(в сервисе 5 лет работал и слесарем и диагностом) Везет тебе,я как то заинтересовался,оказывается нужны всякие программы на ноут,какие то кабеля дорогущие и тд... А то что можно сделать бортовым компьютером я и так делаю,он у меня есть,только вот температуру включения вентилятора на моем движке с его помощью менять нельзя.. :( Поделиться сообщением Ссылка на сообщение Поделиться на другие сайты
ai-haan 0 Опубликовано 19 мая, 2014 понял попробую подключить потом отпишусь про бортовик понял у меня Микас 10.3 Поделиться сообщением Ссылка на сообщение Поделиться на другие сайты
Sprehen Zidoevich 3 Опубликовано 19 мая, 2014 Просто на умз все релюшки включаются подаванием на них минуса!То есть к реле уже подведен постоянный плюс,и что бы оно включилось нужно подать минус! Для этого берем минус с любой массы,хоть от движка хоть от кузова,ведем его к датчику в патрубке,а от датчика подводим к управляющему проводу реле муфты! Ошибка будет по цепи реле вентилятора и чек загорится. Поделиться сообщением Ссылка на сообщение Поделиться на другие сайты
серега10 30 Опубликовано 19 мая, 2014 диод надо поставить и чек гореть не будет. Поделиться сообщением Ссылка на сообщение Поделиться на другие сайты
ivan4310 255 Опубликовано 19 мая, 2014 Ошибка будет по цепи реле вентилятора и чек загорится.Угу,будет ошибка цепи вентилятора во время работы муфты от датчика в патрубке ну и чек гореть.. Я так года 2 ездил и никаких проблем!Пускай делает,если это решит проблему с тряской,то переделать что бы не горела ошибка дело 10 минут!Поставить дополнительное реле просто... Я так сделал недавно,чисто что бы чек не горел,просто от нечего делать... :) 1 Поделиться сообщением Ссылка на сообщение Поделиться на другие сайты
ai-haan 0 Опубликовано 23 мая, 2014 подключил как написано по началу поработал нормально потом сал как и прежде дергаться. Поделиться сообщением Ссылка на сообщение Поделиться на другие сайты
ivan4310 255 Опубликовано 23 мая, 2014 подключил как написано по началу поработал нормально потом сал как и прежде дергаться. Как именно?Через датчик в патрубке?То есть раньше до 90 градусов не было дерганья,а сейчас оно уже после 80 при включенной муфте начинается? Поделиться сообщением Ссылка на сообщение Поделиться на другие сайты
victor5116 301 Опубликовано 23 мая, 2014 Попробуйте датчик коленвала заменить и провода посмотрите которые на ДНД идут, бывает там перетирается. 1 Поделиться сообщением Ссылка на сообщение Поделиться на другие сайты
ai-haan 0 Опубликовано 25 мая, 2014 все заработало оказался провод на ДНД перетерта,спасибо всем. Поделиться сообщением Ссылка на сообщение Поделиться на другие сайты
Алексей Ф. 10 363 Опубликовано 25 мая, 2014 Что такое ДНД ? Поделиться сообщением Ссылка на сообщение Поделиться на другие сайты
Павел400 2 Опубликовано 25 мая, 2014 Что такое ДНД ?Я так понимаю Датчик Неровной Дороги,но как из-за него дергается не понимаю.Слышал что этот датчик чаще всего на машине неисправен и диагносты говорят забей на него Поделиться сообщением Ссылка на сообщение Поделиться на другие сайты
victor5116 301 Опубликовано 26 мая, 2014 Пятивольтовое напряжение бывает подсаживает и как следствие куча ошибок. Поделиться сообщением Ссылка на сообщение Поделиться на другие сайты
ser-007 1 182 Опубликовано 5 сентября, 2014 при разгоне на 3-4 скорости (2300-2500об) тоже иногда есть подёргивания .после 2500об пропадают! На холостых работает ровно...чек не горит...бк не ругается! ...подергивания бывают ещё при разгоне на 2 й передачи! .че где глянуть? Поделиться сообщением Ссылка на сообщение Поделиться на другие сайты
Саня Алмата 1 Опубликовано 15 мая, 2019 все заработало оказался провод на ДНД перетерта,спасибо всем.У меня такие же симптомы как у вас, но у меня проводка новая, и ещё прошивка с отключеными датчиками в том числе и ДНД. НИ КАК НЕ МОГУ ПОНЯТЬ В ЧЁМ ДЕЛО? Поделиться сообщением Ссылка на сообщение Поделиться на другие сайты
Toyota007 2 891 Опубликовано 15 мая, 2019 У меня такие же симптомы как у вас, но у меня проводка новая, и ещё прошивка с отключеными датчиками в том числе и ДНД. НИ КАК НЕ МОГУ ПОНЯТЬ В ЧЁМ ДЕЛО?Проверь напряжение на эбу.Похоже.при включении вента.ЭБУ не хватает тока в мозгах. Поделиться сообщением Ссылка на сообщение Поделиться на другие сайты
Саня Алмата 1 Опубликовано 31 мая, 2019 Проверь напряжение на эбу.Похоже.при включении вента.ЭБУ не хватает тока в мозгах.Подскажите пожалуйста как напряжение померить, и если действительно тока не хватает, то как исправить? Спасибо Поделиться сообщением Ссылка на сообщение Поделиться на другие сайты
Саня Алмата 1 Опубликовано 31 мая, 2019 Проверь напряжение на эбу.Похоже.при включении вента.ЭБУ не хватает тока в мозгах.Ещё когда на работу выдвигаюсь по утру, при первых нескольких срабатываней электромуфты , изменений в работе двигателя почти не заметны, а вот по мере дальнейшей работы, по мере прогрева ( нагрева ) моторного отсека при срабатывание электромуфты сильно колбасит мотор. Как будто датчик какой-то нагревается, и начинает барахлить. Поделиться сообщением Ссылка на сообщение Поделиться на другие сайты
vlad75 360 Опубликовано 31 мая, 2019 Начните с силовых предохранителей у АКБ. Поделиться сообщением Ссылка на сообщение Поделиться на другие сайты
Саня Алмата 1 Опубликовано 31 мая, 2019 Начните с силовых предохранителей у АКБ.Всё новое поставил Поделиться сообщением Ссылка на сообщение Поделиться на другие сайты
L2140 1 861 Опубликовано 31 мая, 2019 Ещё когда на работу выдвигаюсь по утру, при первых нескольких срабатываней электромуфты , изменений в работе двигателя почти не заметны, а вот по мере дальнейшей работы, по мере прогрева ( нагрева ) моторного отсека при срабатывание электромуфты сильно колбасит мотор. Как будто датчик какой-то нагревается, и начинает барахлить.дело не в муфте. Если после продолжительной работы ДВС (многократное срабатывание вентилятора) появляется неравномерная работа, то дело в несоответствии смеси в камерах сгорания. Причиной этому прогар прокладки ГБЦ. Удобно подцепить диагностический прибор и увидеть по каким цилиндрам идут пропуски. Поделиться сообщением Ссылка на сообщение Поделиться на другие сайты
L2140 1 861 Опубликовано 31 мая, 2019 Подскажите пожалуйста как напряжение померить,диагностическим сканером Поделиться сообщением Ссылка на сообщение Поделиться на другие сайты
Саня Алмата 1 Опубликовано 31 мая, 2019 дело не в муфте. Если после продолжительной работы ДВС (многократное срабатывание вентилятора) появляется неравномерная работа, то дело в несоответствии смеси в камерах сгорания. Причиной этому прогар прокладки ГБЦ. Удобно подцепить диагностический прибор и увидеть по каким цилиндрам идут пропуски.Пропуски зажигания отключили прошивкой Поделиться сообщением Ссылка на сообщение Поделиться на другие сайты
Саня Алмата 1 Опубликовано 31 мая, 2019 дело не в муфте. Если после продолжительной работы ДВС (многократное срабатывание вентилятора) появляется неравномерная работа, то дело в несоответствии смеси в камерах сгорания. Причиной этому прогар прокладки ГБЦ. Удобно подцепить диагностический прибор и увидеть по каким цилиндрам идут пропуски.Расколбас проявляется именно после включения электромуфты, после того как она сдует температуру(выключится), снова мотор нормально работает Поделиться сообщением Ссылка на сообщение Поделиться на другие сайты
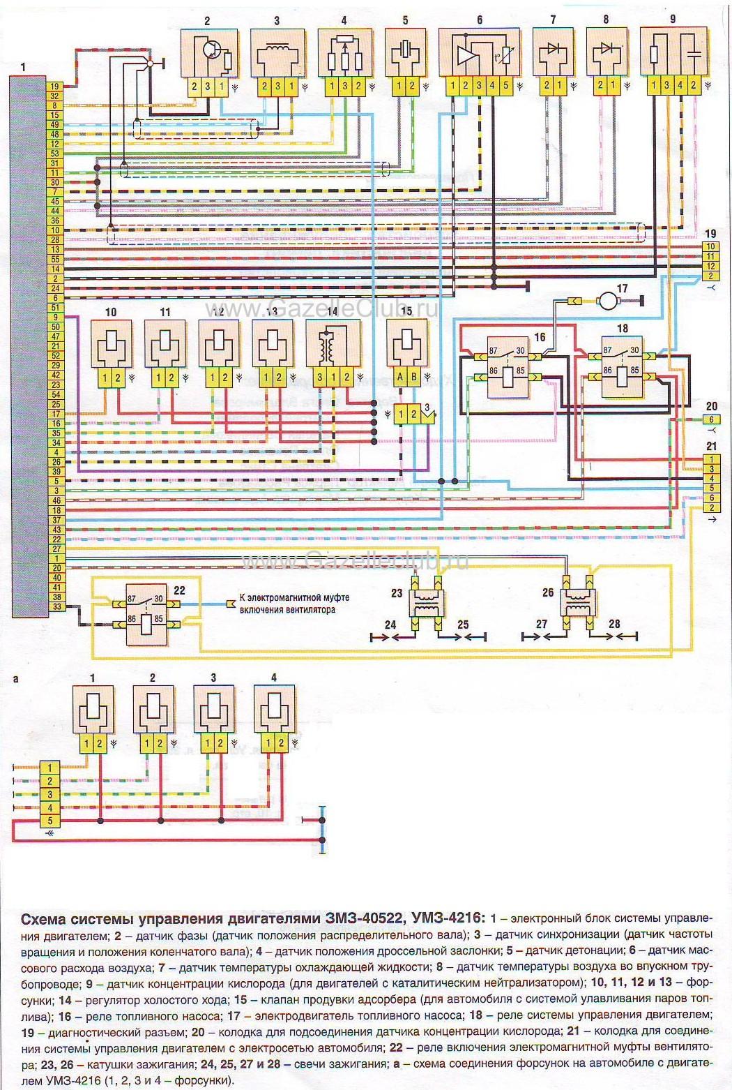
Татарин 7 786 Опубликовано 31 мая, 2019 Вот если смотреть схему,то похоже катушкам в момент включения муфты, просто напруги не хватает.https://www.gazelleclub.ru/servisi/electroshemi/electroshemidvg_405/shema_up_dv_405.JPG Поделиться сообщением Ссылка на сообщение Поделиться на другие сайты
Саня Алмата 1 Опубликовано 31 мая, 2019 Вот если смотреть схему,то похоже катушкам в момент включения муфты, просто напруги не хватает.https://www.gazelleclub.ru/servisi/electroshemi/electroshemidvg_405/shema_up_dv_405.JPGА как проверить, хватает им напруги или не хватает? Поделиться сообщением Ссылка на сообщение Поделиться на другие сайты