Перейти к содержанию
           
Авторизация  
БРОДЯГА74

Новая кабина, восстановление кормилицы !

Рекомендуемые сообщения

БРОДЯГА74

@B.V.A У меня есть 2 двери, только новая пустая, и чего там сравнивать...пока только догадываюсь! И пустая образца после 16 года, там другая конструкция, пока столкнулся с тем что ручки разные и они не взаимозаменяемые, проще мои не встанут никак в новую дверь! Что еще вылезет не знаю, но узнать хочется, очень сильно...

И вся надежда на то что остались на форуме люди знающие, а не только те кто разговоры разговаривает...

Поделиться сообщением


Ссылка на сообщение
Поделиться на другие сайты

B.V.A
4 минуты назад, БРОДЯГА74 сказал:

@B.V.A И вся надежда на то что остались на форуме люди знающие, а не только те кто разговоры разговаривает...

 

Ну вот ты сам себе и накакал :sad:..

Так как есть в сети  каталоги запчастей..

Ищи сам, удачи :biggrin:..

 

а я пошел дальше разговоры разговаривать.. :laugh:..

 

Поделиться сообщением


Ссылка на сообщение
Поделиться на другие сайты
B.V.A

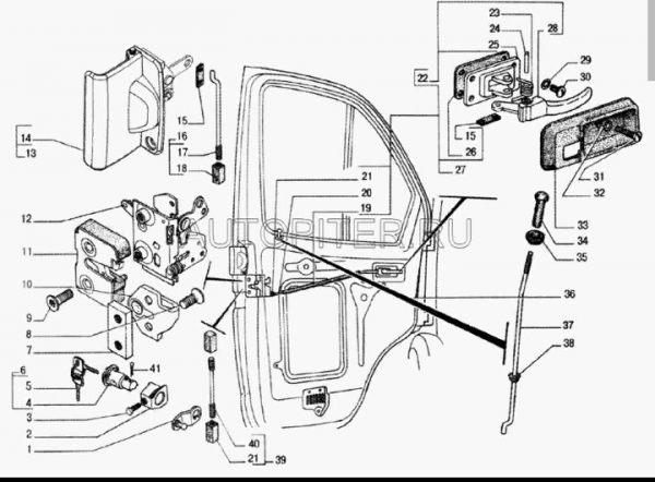
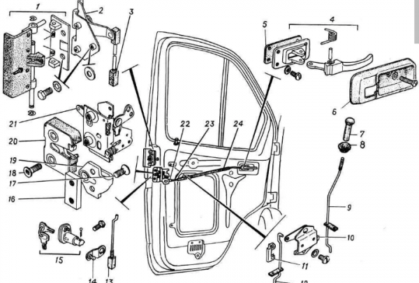
@БРОДЯГА74 , ну чего нашел ?.

 

Все есть, ищи, всё просто..

Вот старое и новое.. с стеклоподъёмниками  так же.. и т.д.. то чего нет то по артикулу заказываешь где дешевле), или делаешь колхоз :sad:..

Вот, найди пару различий.. :biggrin:..

 

 

1338747039_Screenshot_20240210-1054282.thumb.png.637bde3bf22e22439a5e3cf75e9c3b49.png

 

889431418_Screenshot_20240210-1055012.thumb.png.aa1e4b8a8b1b4e8845e8bc7a1b7d3dc0.png

  • Нравится 1

Поделиться сообщением


Ссылка на сообщение
Поделиться на другие сайты
aleks2
1 час назад, БРОДЯГА74 сказал:

@B.V.A У меня есть 2 двери, только новая пустая, и чего там сравнивать...пока только догадываюсь! И пустая образца после 16 года, там другая конструкция, пока столкнулся с тем что ручки разные и они не взаимозаменяемые, проще мои не встанут никак в новую дверь! Что еще вылезет не знаю, но узнать хочется, очень сильно...

И вся надежда на то что остались на форуме люди знающие, а не только те кто разговоры разговаривает...

Позвонить на разборку ,они-то знают.

Поделиться сообщением


Ссылка на сообщение
Поделиться на другие сайты
pokryshkin

Отверстие не сделали. Я когда переставлял со старухи на бизнес ЭСП, а на старуху возвращал весла проблем не возникло. Единственное, у "весел" бизнеса допустим болты. А у  старухи гайки (или наоборот, щас не помню). Но разница только в этом была.

  • Нравится 2

Поделиться сообщением


Ссылка на сообщение
Поделиться на другие сайты
БРОДЯГА74
9 часов назад, pokryshkin сказал:

Отверстие не сделали. Я когда переставлял со старухи на бизнес ЭСП, а на старуху возвращал весла проблем не возникло. Единственное, у "весел" бизнеса допустим болты. А у  старухи гайки (или наоборот, щас не помню). Но разница только в этом была.

Бизнес какого года? До 16 года, как выяснилось было все одинаковое, после ГАЗ сделал модернизацию, заменил ручки дверей, и по моему удалил направляющую стекла, как ненужный элемент, не нахожу чертежи новой конструкции (после 16г!!!) смотрел картинки, видео... нет там этой направляйки! Просверлю, поставлю со своей двери, она там нужна...

Поделиться сообщением


Ссылка на сообщение
Поделиться на другие сайты
pokryshkin
3 часа назад, БРОДЯГА74 сказал:

Бизнес какого года? До 16 года, как выяснилось было все одинаковое, после ГАЗ сделал модернизацию, заменил ручки дверей, и по моему удалил направляющую стекла, как ненужный элемент, не нахожу чертежи новой конструкции (после 16г!!!) смотрел картинки, видео... нет там этой направляйки! Просверлю, поставлю со своей двери, она там нужна...

Старуха 2005 , бизнес 2011 года...

А ты получается кабину "бизнес" взял?

Поделиться сообщением


Ссылка на сообщение
Поделиться на другие сайты
БРОДЯГА74
1 час назад, pokryshkin сказал:

А ты получается кабину "бизнес" взял?

Брал вообще-то свою, по ВИНу..))) но она оказалась почему-то бизнес, причем нового образца...что есть на конвейре на то и набили мой номер))) это логично!

Короче разобрался с направляющими, они удлинили заднюю направляющую на 15см, и убрали тот который ставился отдельно, технологически облегчили сборку, но отдельный то был 35см! По сути если сейчас опустить стекло до конца, оно там болтается!

Изменено пользователем БРОДЯГА74

Поделиться сообщением


Ссылка на сообщение
Поделиться на другие сайты

pokryshkin
1 час назад, БРОДЯГА74 сказал:

Брал вообще-то свою, по ВИНу..))) но она оказалась почему-то бизнес, причем нового образца...

Получается , чтобы поставить свою торпедо пришлось крепеж докупать?

Поделиться сообщением


Ссылка на сообщение
Поделиться на другие сайты
БРОДЯГА74
18 минут назад, pokryshkin сказал:

Получается , чтобы поставить свою торпедо пришлось крепеж докупать?

Тааак, с этого момента по подробней...))) Торпеду еще даже не примерял. Про какой крепеж речь?

Поделиться сообщением


Ссылка на сообщение
Поделиться на другие сайты
АлександрСергеевич

@БРОДЯГА74 Видео на 2-ой странице этой темы.

Поделиться сообщением


Ссылка на сообщение
Поделиться на другие сайты
БРОДЯГА74

Видел, и до того как брал, но двери уже оказались не те, крепление панели моё!

Поделиться сообщением


Ссылка на сообщение
Поделиться на другие сайты
газель2005

@БРОДЯГА74

@БРОДЯГА74кроме дверей нет отличия. Обычная унификация.

Поделиться сообщением


Ссылка на сообщение
Поделиться на другие сайты
pokryshkin
20 часов назад, БРОДЯГА74 сказал:

Видел, и до того как брал, но двери уже оказались не те, крепление панели моё!

Глянул видео. Ну тогда получается все таки кабина у тебя не от бизнеса. Все ок. 

Поделиться сообщением


Ссылка на сообщение
Поделиться на другие сайты
aldar
В 10.02.2024 в 11:42, aleks2 сказал:

Позвонить на разборку ,они-то знают.

Ничего они не знают..даже продаваны со стажем на южке не знают..тупо нет такой запчасти..искал я эту направляйку для своей..левое стекло болтается из-за отсутствия этой направляйки..таким купил авто..

Поделиться сообщением


Ссылка на сообщение
Поделиться на другие сайты
БРОДЯГА74
В 12.02.2024 в 18:30, aldar сказал:

Ничего они не знают..даже продаваны со стажем на южке не знают..тупо нет такой запчасти..искал я эту направляйку для своей..левое стекло болтается из-за отсутствия этой направляйки..таким купил авто..

Сейчас её вообще нет, никакой.и приколхозить проблематично...варить если только, причем на месте

Поделиться сообщением


Ссылка на сообщение
Поделиться на другие сайты
Алексей Ф.

Не замечал, что бы у меня летом с опущенным  стеклом, что то стучало или бренчало в двери..Может опускаю не до конца

Поделиться сообщением


Ссылка на сообщение
Поделиться на другие сайты
Samarin
28 минут назад, Алексей Ф. сказал:

Не замечал, что бы у меня летом с опущенным  стеклом, что то стучало или бренчало в двери..Может опускаю не до конца

У меня как и на старых газелях направляйка в двери и в неё резинка уплотнительная ставится .Если я про эту направляйку думаю .П- образная направляющая .

Поделиться сообщением


Ссылка на сообщение
Поделиться на другие сайты
БРОДЯГА74
1 час назад, Samarin сказал:

У меня как и на старых газелях направляйка в двери и в неё резинка уплотнительная ставится .Если я про эту направляйку думаю .П- образная направляющая .

Как она стыкуется с верхней? Как крепится к двери?

Поделиться сообщением


Ссылка на сообщение
Поделиться на другие сайты
aldar
2 часа назад, БРОДЯГА74 сказал:

Как она стыкуется с верхней? Как крепится к двери?

В двери с торца есть отверстие под крепеж..ты старую кабину сдал на металл уже?с другой частью направляющей крепежа вроде нет,только продолжение резинки по которой ходит стекло

Изменено пользователем aldar

Поделиться сообщением


Ссылка на сообщение
Поделиться на другие сайты
БРОДЯГА74
1 час назад, aldar сказал:

В двери с торца есть отверстие под крепеж..ты старую кабину сдал на металл уже?с другой частью направляющей крепежа вроде нет,только продолжение резинки по которой ходит стекло

Это в старой, в новой нет отверстия...и паза чтобы вставить .

Поделиться сообщением


Ссылка на сообщение
Поделиться на другие сайты
газель2005

@БРОДЯГА74 резинки по краям с двух сторон стоят и всё на бизнесе. 

Поделиться сообщением


Ссылка на сообщение
Поделиться на другие сайты
Slavyan

@БРОДЯГА74 я её у себя выбросил вообще, без неё быстрее стекло двигается. Были трещины у болта, который её крепит к двери, видимо перекос какой то был. 

Стекло не болтается. Только если совсем до конца его опустить оно западает в сторону. Поправишь его и поднимаешь, дискомфорта нет

  • Нравится 1

Поделиться сообщением


Ссылка на сообщение
Поделиться на другие сайты
БРОДЯГА74

Победил эту абракадабру все таки 3 дня убил...

 

d8e117a9-fd9b-45dc-bbf0-5286b06e6b6d.jpeg

070930a6-bd37-4716-b023-358ee1397e22.jpeg

  • Нравится 6

Поделиться сообщением


Ссылка на сообщение
Поделиться на другие сайты
B.V.A

Долго..

Работу работать надо..

Чтоб до конца февраля всё сделал :mad:..

Поделиться сообщением


Ссылка на сообщение
Поделиться на другие сайты

Для публикации сообщений создайте учётную запись или авторизуйтесь

Вы должны быть пользователем, чтобы оставить комментарий

Создать учетную запись

Зарегистрируйте новую учётную запись в нашем сообществе. Это очень просто!

Регистрация нового пользователя

Войти

Уже есть аккаунт? Войти в систему.

Войти
Авторизация  

×
×
  • Создать...