Владимир 23 500 Опубликовано 8 сентября, 2020 3 минуты назад, Sergey-Astana сказал: щелкает реле значит минус выходит Проверь физически есть минус на байонете или нет. С этих байонетов провода просто так выпадают, тем более на каминсе от вибрации. Поделиться сообщением Ссылка на сообщение Поделиться на другие сайты
Sergey-Astana 6 Опубликовано 8 сентября, 2020 16 минут назад, Владимир 23 сказал: Давление какое? Датчик давления при этом замкнут? (Должен быть замкнут при давлении от2-32 бар и разомкнут менее 2 и более 30-32). Минус появляется на выходе блока управления печкой при включении кондиционера? Датчик обмерзания какой стоит электронный или механический? Если механический проверить Цепь замкнута? Если электронный проверяли питание, соединение с самим датчиком на испарителе и опять же, по итогу, цепь замкнута? Далее соединение этого провода на байонете 35контактном на моторном щите. Проверить доходит туда минус при включении кнопки кондиционера, тоже самое на ответной части байонета и далее к реле. Вот это все делали? Все написанное выше ни каким сканером не увидите. Это не ваг. А где стоит датчик обмерзания? И можно поподробней про проверку его и проводов . Схемы нет у Вас? 1 минуту назад, L2140 сказал: испарителя два. Один в корпусе отопителя. электро? Да электро и что где стоит. Поделиться сообщением Ссылка на сообщение Поделиться на другие сайты
L2140 1 778 Опубликовано 8 сентября, 2020 (изменено) 3 минуты назад, Sergey-Astana сказал: А где стоит датчик обмерзания? трубка от датчика в испаритель. а он сам рядом Изменено 8 сентября, 2020 пользователем L2140 Поделиться сообщением Ссылка на сообщение Поделиться на другие сайты
Sergey-Astana 6 Опубликовано 8 сентября, 2020 3 минуты назад, Владимир 23 сказал: Проверь физически есть минус на байонете или нет. С этих байонетов провода просто так выпадают, тем более на каминсе от вибрации. Что такое байонет? Где он стоит? Поделиться сообщением Ссылка на сообщение Поделиться на другие сайты
Владимир 23 500 Опубликовано 8 сентября, 2020 @L2140 написал что датчик механический. Значит должен стоять возле испарителя и к испарителю должна идти тонкая медная трубочка. Такие же стоят на холодильниках старых. Он регулируется так же как в холодильнике и должен быть замкнут, когда испаритель переохлаждается цепь размыкается. Поделиться сообщением Ссылка на сообщение Поделиться на другие сайты
Sergey-Astana 6 Опубликовано 8 сентября, 2020 Парни, я не занимаюсь ремонтом кондиционеров , особенно на газелях. Поэтому объясните пожалуйста поподробнее . Понятия конечно есть.) Поделиться сообщением Ссылка на сообщение Поделиться на другие сайты
Владимир 23 500 Опубликовано 8 сентября, 2020 1 минуту назад, Sergey-Astana сказал: Что такое байонет? Где он стоит? Разъем 35контактный. Их 2шт на моторном щите, чуть выше педали сцепления и левее. Соединяют проводку подторпедную и подкапотную Поделиться сообщением Ссылка на сообщение Поделиться на другие сайты
L2140 1 778 Опубликовано 8 сентября, 2020 1 минуту назад, Sergey-Astana сказал: Что такое байонет? Где он стоит? круглые разъёмы на моторном щите в ногах водителя. 1 минуту назад, Владимир 23 сказал: написал что датчик механический. Значит должен стоять так точно Поделиться сообщением Ссылка на сообщение Поделиться на другие сайты
Sergey-Astana 6 Опубликовано 8 сентября, 2020 2 минуты назад, Владимир 23 сказал: @L2140 написал что датчик механический. Значит должен стоять возле испарителя и к испарителю должна идти тонкая медная трубочка. Такие же стоят на холодильниках старых. Он регулируется так же как в холодильнике и должен быть замкнут, когда испаритель переохлаждается цепь размыкается. У меня походу два испарителя? Значит и два байонета? Байонет стоит возле испарителей получается, завтра постараюсь их найти и проверить минус Поделиться сообщением Ссылка на сообщение Поделиться на другие сайты
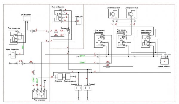
L2140 1 778 Опубликовано 8 сентября, 2020 8 минут назад, Sergey-Astana сказал: Да электро и что где стоит. поделюсь некоторым объёмом информации 1 Поделиться сообщением Ссылка на сообщение Поделиться на другие сайты
Владимир 23 500 Опубликовано 8 сентября, 2020 Примерно так выглядит термостат, он же датчик обмерзания 1 Поделиться сообщением Ссылка на сообщение Поделиться на другие сайты
L2140 1 778 Опубликовано 8 сентября, 2020 Только что, Sergey-Astana сказал: У меня походу два испарителя? Значит и два байонета? Байонет стоит возле испарителей получается, завтра постараюсь их найти и проверить минус не путать. байонетный разъём и систему кондиционирования. Поделиться сообщением Ссылка на сообщение Поделиться на другие сайты
Sergey-Astana 6 Опубликовано 8 сентября, 2020 (изменено) 6 минут назад, L2140 сказал: поделюсь некоторым объёмом информации Это уже что то, я так и знал что управление реле муфты идет с эбу моторника) Спасибо, завтра постараюсь вникнуть 5 минут назад, Владимир 23 сказал: Примерно так выглядит термостат, он же датчик обмерзания Такой запчасти я не видел . Может под панелью стоит рядом с испарителем? 8 минут назад, L2140 сказал: поделюсь некоторым объёмом информации Получается что бы моторник включил реле муфты, он должен увидеть сигнал с датчика давления Изменено 8 сентября, 2020 пользователем Sergey-Astana Поделиться сообщением Ссылка на сообщение Поделиться на другие сайты
Владимир 23 500 Опубликовано 8 сентября, 2020 Ну судя по этой схеме можно провод идущий на ЭБУ от датчика давления сразу кинуть на реле вкл муфты, все будет работать кроме повышения оборотов Поделиться сообщением Ссылка на сообщение Поделиться на другие сайты
Sergey-Astana 6 Опубликовано 8 сентября, 2020 Как все понятно стало, спасибо парни 2 минуты назад, Владимир 23 сказал: Ну судя по этой схеме можно провод идущий на ЭБУ от датчика давления сразу кинуть на реле вкл муфты, все будет работать кроме повышения оборотов Да, только зачем?Пусть Моторник контролирует этот процесс и включает если все в норме Поделиться сообщением Ссылка на сообщение Поделиться на другие сайты
Владимир 23 500 Опубликовано 8 сентября, 2020 9 минут назад, Sergey-Astana сказал: Такой запчасти я не видел . Может под панелью стоит рядом с испарителем? Вот это штатное место под термостат на машине с одним испарителем. Выше и правее педали газа. 1 1 Поделиться сообщением Ссылка на сообщение Поделиться на другие сайты
Sergey-Astana 6 Опубликовано 8 сентября, 2020 14 минут назад, L2140 сказал: поделюсь некоторым объёмом информации А у Вас нет схемы где это все установлено в машине? 1 минуту назад, Владимир 23 сказал: Вот это штатное место под термостат на машине с одним испарителем. Выше и правее педали газа. Хорошо завтра посмотрю. Поделиться сообщением Ссылка на сообщение Поделиться на другие сайты
Владимир 23 500 Опубликовано 8 сентября, 2020 5 минут назад, Sergey-Astana сказал: Да, только зачем? Чтобы проверить в нем дело или нет и без всякого сканера. Ещё раз, проверь пины в разъёмах 35контактных. Их 2шт над педалью сцепления. Найди там провод кондиционера, возможно он просто вывалился 1 Поделиться сообщением Ссылка на сообщение Поделиться на другие сайты
L2140 1 778 Опубликовано 8 сентября, 2020 3 минуты назад, Sergey-Astana сказал: А у Вас нет схемы где это все установлено в машине? у меня есть вообще всё Кстати о давлении. Для машины Газель 2016г,которая где-то отдыхала наличие необходимого объёма фреона,а, значит, давления в системе - это невероятно! Поделиться сообщением Ссылка на сообщение Поделиться на другие сайты
Sergey-Astana 6 Опубликовано 8 сентября, 2020 2 минуты назад, L2140 сказал: у меня есть вообще всё Кстати о давлении. Для машины Газель 2016г,которая где-то отдыхала наличие необходимого объёма фреона,а, значит, давления в системе - это невероятно! Вот вы везде ищите подвох) Как ни странно оно там есть) завтра постараюсь перепроверить.погода сейчас правда не для кондиционера, сегодня пришла смска от мчс, что ночью возможно -3. Как бы вся эта история с кондером не затянулась до весны) Тем более в четверг выезжаем на рыбалку. Надо собираться, судак пошел. Webasto в салон главно успел установить Ребята, вам большое спасибо за инфо и терпение! 1 Поделиться сообщением Ссылка на сообщение Поделиться на другие сайты
t-r-a-k-t-a-r 258 Опубликовано 8 сентября, 2020 1 Поделиться сообщением Ссылка на сообщение Поделиться на другие сайты
Михалыч S360VYM 599 Опубликовано 9 сентября, 2020 20 часов назад, Sergey-Astana сказал: Вот вы везде ищите подвох) Как ни странно оно там есть) завтра постараюсь перепроверить.погода сейчас правда не для кондиционера, сегодня пришла смска от мчс, что ночью возможно -3. Как бы вся эта история с кондером не затянулась до весны) Тем более в четверг выезжаем на рыбалку. Надо собираться, судак пошел. Webasto в салон главно успел установить Ребята, вам большое спасибо за инфо и терпение! Куда судак пошол? Если клевать? То он клюёт обычно по расписанию. Вчера и завтра! Поделиться сообщением Ссылка на сообщение Поделиться на другие сайты
Toyota007 2 890 Опубликовано 9 сентября, 2020 Интересный вариант. В 08.09.2020 в 21:07, L2140 сказал: у меня есть вообще всё И это не смешно,знать столько данных,не может даже библиотека завода ГАЗ.В библиотеке много чего засекречено,А этот шпион,большую часть выносит все врагам... Я так это понял.. Поделиться сообщением Ссылка на сообщение Поделиться на другие сайты
Sergey-Astana 6 Опубликовано 29 октября, 2020 все. решил вопрос с кондеем. всем откликнувшимся спасибо. 1 Поделиться сообщением Ссылка на сообщение Поделиться на другие сайты
44 Алексей 44 46 Опубликовано 29 октября, 2020 Да заплатите бабла и отдайте машину профессионалом Поделиться сообщением Ссылка на сообщение Поделиться на другие сайты