Сопатый 2 Опубликовано 27 ноября, 2017 от ЭБУ к релюхе,от релюхи к насосу,вот и вся схемаДа это понятно хотелось бы схему поточней. Поделиться сообщением Ссылка на сообщение Поделиться на другие сайты
колобок 7 167 Опубликовано 27 ноября, 2017 Да это понятно хотелось бы схему поточней.что именно уточнить? Поделиться сообщением Ссылка на сообщение Поделиться на другие сайты
evgen270883 24 Опубликовано 27 ноября, 2017 Да это понятно хотелось бы схему поточней. Поделиться сообщением Ссылка на сообщение Поделиться на другие сайты
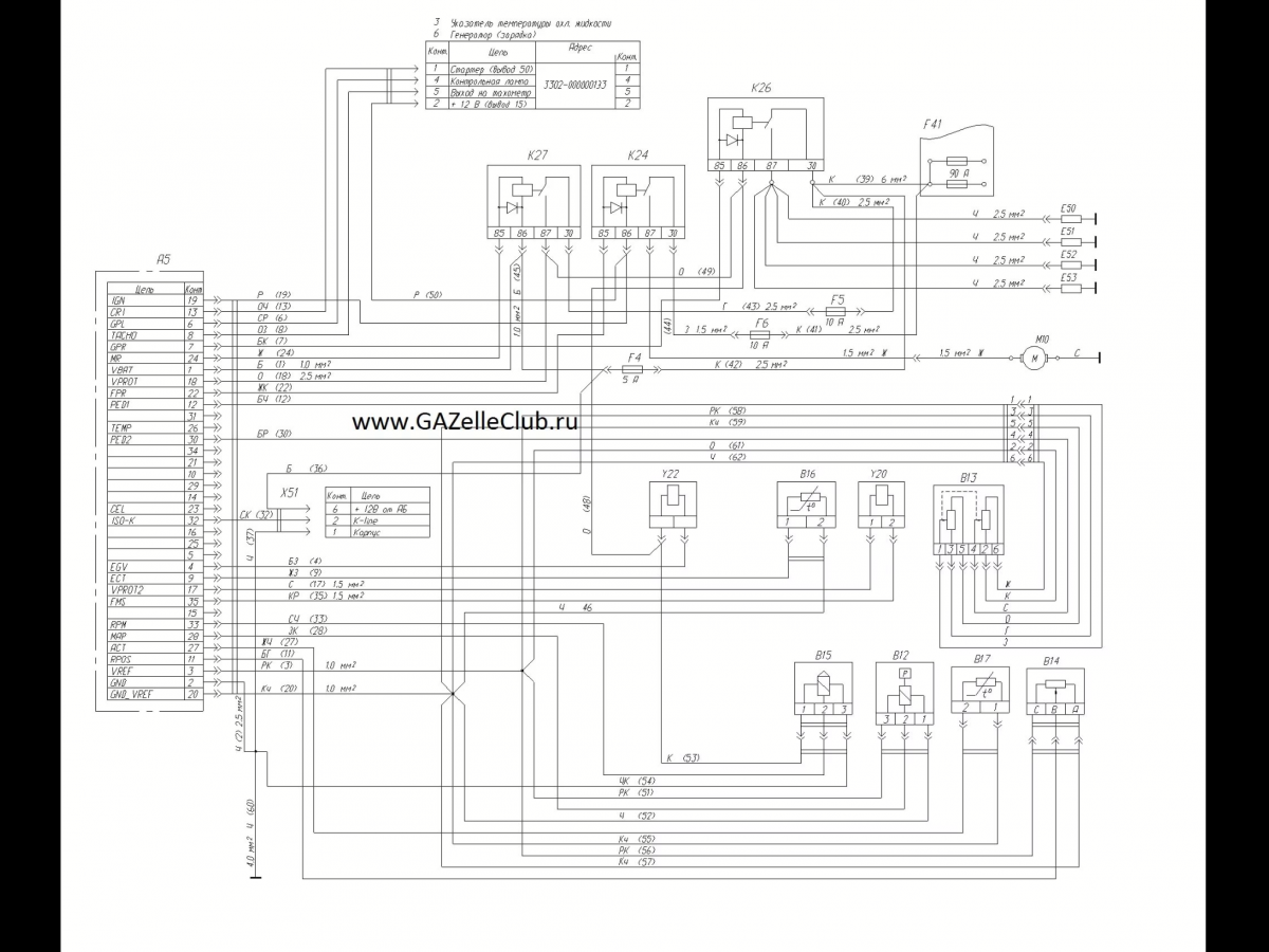
vitalich 21 Опубликовано 27 ноября, 2017 Да это понятно хотелось бы схему поточней. Тут поярче будет. 1 Поделиться сообщением Ссылка на сообщение Поделиться на другие сайты
coba_83 24 Опубликовано 30 ноября, 2017 Поменял насос на оригинальный Бош чешского производства. Он оказался вполовину больше штатного, но встал нормально. Работает тише старого.Вот такая фигня была в топливопроводе, а точнее в медной трубке после насоса. Машину не узнать, летит как птица. Поделиться сообщением Ссылка на сообщение Поделиться на другие сайты
max71 186 Опубликовано 30 ноября, 2017 Поменял насос на оригинальный Бош чешского производства. Он оказался вполовину больше штатного, но встал нормально. Работает тише старого.Вот такая фигня была в топливопроводе, а точнее в медной трубке после насоса. Машину не узнать, летит как птица.как эта бяка могла попасть туда :blink: , даже специально засунуть и то надо сильно постараться :ph34r: , прежний наверное тоже работал бы тихо если бы у него такой нагрузки не было Поделиться сообщением Ссылка на сообщение Поделиться на другие сайты
bio-dizel 90 Опубликовано 30 ноября, 2017 Красота!, особенно про оригинальный бош... Поделиться сообщением Ссылка на сообщение Поделиться на другие сайты
coba_83 24 Опубликовано 1 декабря, 2017 как эта бяка могла попасть туда :blink: Скорее всего, эта изоляция была накручена на штуцер насоса, т.к. шланг толще. Неужели так на заводе сделали? Насос мной никогда не снимался. Если только старый хозяин начудил... Старый почищу, положу в запас. Красота!, особенно про оригинальный бош...А что не так? Насос покупался в магазине года два назад за 4 тысячи для дизельного УАЗ Патриот. На нём лазерная гравировка, оранжевый паспорт. На коробке наклейка. Везде написано, что производитель Чешская Республика. Кроме насоса никаких гаек и прочего в коробке не было Поделиться сообщением Ссылка на сообщение Поделиться на другие сайты
bio-dizel 90 Опубликовано 1 декабря, 2017 Нет оригиналов, есть коопы которым по лицензии разрешили собирать сие, на пример тоёта из японии и собранная у нас... Поделиться сообщением Ссылка на сообщение Поделиться на другие сайты
coba_83 24 Опубликовано 1 декабря, 2017 Нет оригиналов, есть коопы которым по лицензии разрешили собирать сие Я имел в виду, что не поддельный. Поделиться сообщением Ссылка на сообщение Поделиться на другие сайты
apily 0 Опубликовано 1 января, 2018 Приветствую ребята. А у меня плохо тянула машина как взял. заводится отлично, на всех режимах кроме максимальных нагрузок нормально. начал с замера давления топлива. померил-0! растянул пружинку , проверил сжатым воздухом-1,5 очка. поставил, завел, 1,5 очка. сделал тестовую поездку, тяга лучше, мотор разогрелся, смотрю давление опять близко к 0. Зажимаю обратку поднимается до 7 очков. Думал просела пружинка, растягивать не стал подложил шайб, отрегулировал. опять 1.5 очка при работе. поездил - давление упало, но теперь, когда зажимаю обратку давление сильно не поднимается. похоже насос нормально не качает тоже, надо и его смотреть. Получается давление в рампе важнейший жизненный параметр нашего двигателя. Его нарушение приводит вплоть до смерти форсунок .А никто не пробовал установить в систему датчик давления с указателем в салоне? возможно еще и с аварийной лампочкой. Много проблем удастся избежать.Если кто знает как это сделать и какими датчиками и указателями лучше- дайте пожалуйста информацию. Поделиться сообщением Ссылка на сообщение Поделиться на другие сайты
apily 0 Опубликовано 1 января, 2018 Механические датчики надежнее электрических? Поделиться сообщением Ссылка на сообщение Поделиться на другие сайты
SA.DIESEL 293 Опубликовано 2 января, 2018 Давно стоит, один минус постепенно с годами как и все электрические начинает немного врать . Поделиться сообщением Ссылка на сообщение Поделиться на другие сайты
apily 0 Опубликовано 2 января, 2018 Немного врать вероятно не страшно. важно видеть есть ли давление вообще и в каких режимах оно первоначально снижается Поделиться сообщением Ссылка на сообщение Поделиться на другие сайты
apily 0 Опубликовано 13 января, 2018 Люди помогите! снял и помыл почистил топливный насос нарамный, как рекомендовали на форуме дунул воздухом от него в обе стороны и теперь происходит что то непонятное. включается насос, давление за фтот поднимается до 7 атм. перепускной клапан не срабатывает... снял клапан вообще, а при давлении 7 атм топливо к нему вообще не течет.что могло случиться и что с этим делать? Поделиться сообщением Ссылка на сообщение Поделиться на другие сайты
max71 186 Опубликовано 13 января, 2018 Люди помогите! снял и помыл почистил топливный насос нарамный, как рекомендовали на форуме дунул воздухом от него в обе стороны и теперь происходит что то непонятное. включается насос, давление за фтот поднимается до 7 атм. перепускной клапан не срабатывает... снял клапан вообще, а при давлении 7 атм топливо к нему вообще не течет.что могло случиться и что с этим делать? https://www.gazelleclub.ru/forum/topic/18554-vysokoe-davlenie-v-toplivnoi-sisteme-shtaera/ читай , там все ответы Поделиться сообщением Ссылка на сообщение Поделиться на другие сайты
apily 0 Опубликовано 14 января, 2018 прочитал ветку. вряд ли ситация с забитыми сетками, до продувки давление было почти нулевое. на улице мороз. я дал давление теплым воздухом в узких местах образовался конденсат и сразу замерз.первое думаю двигатель надо отогреть... а там видно будет... нужно ли что то еще делать...но ветка полезная, спасибо! Поделиться сообщением Ссылка на сообщение Поделиться на другие сайты
apily 0 Опубликовано 14 января, 2018 тепловой пушки нет. завтра куплю электрокотел и продолжу реанимацию... Поделиться сообщением Ссылка на сообщение Поделиться на другие сайты
apily 0 Опубликовано 1 февраля, 2018 Поставил электроподогрев. слегка подогрел движку и саляра пошла циркулировать. давление пульсирует от 1.2 до примерно 1.7 (неравномерный сброс клапаном). Приятно зимой заводить прогретый двигатель! Поделиться сообщением Ссылка на сообщение Поделиться на другие сайты
Сергей59рус 9 Опубликовано 1 февраля, 2018 я вместе с подогревом 220V подцепляю зарядку аккумулятора в мороз. Заводится - просто сказка. Живу на 4 эт. Кинул провод с балкона :) Соседи пока молчат :)И иногда если надо что-то подогреть, то строительный фен выручает.Приветствую ребята. А у меня плохо тянула машина как взял. заводится отлично, на всех режимах кроме максимальных нагрузок нормально. начал с замера давления топлива. померил-0! растянул пружинку , проверил сжатым воздухом-1,5 очка. поставил, завел, 1,5 очка. сделал тестовую поездку, тяга лучше, мотор разогрелся, смотрю давление опять близко к 0. Зажимаю обратку поднимается до 7 очков. Думал просела пружинка, растягивать не стал подложил шайб, отрегулировал. опять 1.5 очка при работе. поездил - давление упало, но теперь, когда зажимаю обратку давление сильно не поднимается. похоже насос нормально не качает тоже, надо и его смотреть. Получается давление в рампе важнейший жизненный параметр нашего двигателя. Его нарушение приводит вплоть до смерти форсунок .А никто не пробовал установить в систему датчик давления с указателем в салоне? возможно еще и с аварийной лампочкой. Много проблем удастся избежать.Если кто знает как это сделать и какими датчиками и указателями лучше- дайте пожалуйста информацию.Сколько раз убеждался.. гов.. но не трогаешь оно не воняет. Сам сколько раз залезу куда нить, а потом мучаюсь и думаю... нах.уя полез. Я разбирал бошевский и Старый Оскол насосы... мыл, чистил... потом собираю обратно - не работают. Купил новый. Теперь пока работает - не дотронусь. а если тебе обратку пережать чуток... не до конца... ?хотя это не выход. Поделиться сообщением Ссылка на сообщение Поделиться на другие сайты
Толшмяк 12 Опубликовано 2 февраля, 2018 хочу уточнить следующее;В процессе работы насоса его щётки и коллектор якоря купаются в солярке или нет? Поделиться сообщением Ссылка на сообщение Поделиться на другие сайты
max71 186 Опубликовано 2 февраля, 2018 хочу уточнить следующее;В процессе работы насоса его щётки и коллектор якоря купаются в солярке или нет?нет Поделиться сообщением Ссылка на сообщение Поделиться на другие сайты
SA.DIESEL 293 Опубликовано 8 февраля, 2018 Правильный ответ да. 1 Поделиться сообщением Ссылка на сообщение Поделиться на другие сайты
max71 186 Опубликовано 9 февраля, 2018 Правильный ответ да.спасибо что поправил Поделиться сообщением Ссылка на сообщение Поделиться на другие сайты
Сергей59рус 9 Опубликовано 11 февраля, 2018 и чё.. как не замыкает? :blink: Поделиться сообщением Ссылка на сообщение Поделиться на другие сайты