Перейти к содержанию
           
Авторизация  
Heavybob

Японский дизель на газель

Рекомендуемые сообщения

rusgg

Есть еще гидро механические автоматы , старые, там тросик до газа идет

Поделиться сообщением


Ссылка на сообщение
Поделиться на другие сайты

pitbul

@Серёга7  Поставь себе ТД27 ети с коробкой от терано 2 вместе с раздаткой или КУДЕ от того же терано, всё на газель становится идеально, поддон менять не надо, и будет тебе понижайка, по поводу АКПП, вопрос двоякий, ставил себе акпп от терано2 поездил 2 года и вернулся на МКПП, вопрос, почему, не устроил  расход в 15-16 литров, а на МКПП 8.5 трасса, до 10ти по городу, хотя на АКПП комфортно.

  • Нравится 3

Поделиться сообщением


Ссылка на сообщение
Поделиться на другие сайты
rusgg

У меня АКПП, расход от 12литров .

В среднем 14-15 жрет, 30 кубов кузов, полная масса от 4-6 тонн.

Скорость 85-95

 

Изменено пользователем rusgg

Поделиться сообщением


Ссылка на сообщение
Поделиться на другие сайты
Серёга7
18 часов назад, pitbul сказал:

@Серёга7  Поставь себе ТД27 ети с коробкой от терано 2 вместе с раздаткой или КУДЕ от того же терано, всё на газель становится идеально, поддон менять не надо, и будет тебе понижайка, по поводу АКПП, вопрос двоякий, ставил себе акпп от терано2 поездил 2 года и вернулся на МКПП, вопрос, почему, не устроил  расход в 15-16 литров, а на МКПП 8.5 трасса, до 10ти по городу, хотя на АКПП комфортно.

TD27 были до QD32. Они всяко не новее кудэ. По сравнению с ТД, КуДэ и свежее по годам, и литражом поболе. По этому выбрал кудэ. 

  Сам видел и прокатился на TD27t + мкпп с раздаткой. Едет не плохо. Но раздатка .. бестолковый апендикс для чисто заднего привода. Мне так видится. Не по феншую как-то оно, что ли ... Место занимает, а функционала ноль. По этому склоняюсь к коробке с просто делителем. Но блин, не нашёл до сих пор на сколько он понижает ... 

И ещё жаль, что в продаже коробки как правило без КОМа. Вот он-то мне пригодился бы. По идее, раздатка тоже в некоторой степени КОМ. Но она с завязкой на трансмиссию и задний привод при ней не отключается. И она с понижением. 

 

Пока закрыл для себя тему АКПП.

Буду ставить МКПП. Если не понравится, тогда может и про АКПП вспомню 

 

Изменено пользователем Серёга7

Поделиться сообщением


Ссылка на сообщение
Поделиться на другие сайты
колобок
4 часа назад, Серёга7 сказал:

TD27 были до QD32.

TD27ETI были и вместе с QD32,да и ТДхи подешевле 

Поделиться сообщением


Ссылка на сообщение
Поделиться на другие сайты
Серёга7
15 часов назад, колобок сказал:

TD27ETI были и вместе с QD32,да и ТДхи подешевле 

Ездить на Eti изначально не планирую, переход на мех.тнвд и так в некотором роде дауншифт относительно базового мотора Eti. И наверное лучше иметь более свежий отмеханиченый 3.2л QD, чем более годовалый 2.7л TD. Тем более под прицеп. Изначально были мысли ставить движок литражом поболе. Думалось аж о 4.2л ... Но, те моторы не моложе, примерно погодки ТД, если не старше. По этому склоняюсь пока к самому свежему последнему механическому мамонту. Который тоже будет скорее всего не младше 20 лет. И практически стопроцентно с выдуманным пробегом. 

Поделиться сообщением


Ссылка на сообщение
Поделиться на другие сайты
АСаныч
В 24.11.2021 в 11:56, Серёга7 сказал:

С делителем, или короткую ?

Сейчас, с рук, есть и за 100. Но это уже с мутной, со слов владельца, биографией. 

Продавцы отдают и от 140. Но в среднем от 150. И дальше ценник уже лезет вверх .. 160 

С делителем

Сам поищи и спешись  с автором д р2 газель некс на днях в бж

 

От 100 который двс, ему доверия нет там изолента синяя уже о многом говорит 

Поделиться сообщением


Ссылка на сообщение
Поделиться на другие сайты
колобок
12 часов назад, Серёга7 сказал:

Думалось аж о 4.2л ...

ЯМЗ-5342:biggrin:

Поделиться сообщением


Ссылка на сообщение
Поделиться на другие сайты

Серёга7
1 час назад, колобок сказал:

ЯМЗ-5342:biggrin:

Да ладно, мне до Газона Некста далеко .. чтобы возить под капотом эти полтонны.) И там чутка поболе чем 4.2. Но момент у него на две головы выше .. 

 А едет он, между прочим, классно. Тянет здорово. Я на нём поездил немного до прошедшей весны. Включение коробки не понравилось, надо привыкать. И мозги зашиты думать за водилу так, как оно того не требуется. Хотя, возможно сейчас эти "углы" обработали напильником. Ездил не прям на свежем Газоне. Но общее впечатление хорошее. Предыдущие газоны отдыхают. Наконец-то завод допёр, что такой технике нужен дизель как основной и единственный движок. 

Поделиться сообщением


Ссылка на сообщение
Поделиться на другие сайты
Серёга7
4 часа назад, АСаныч сказал:

делителем

Сам поищи и спешись  с автором д р2 газель некс на днях в бж

На Драйве не сижу, обычно попадаю туда по ссылкам из поисковика.

Поискал, не нашёл. Дашь ссылочку ?

4 часа назад, АСаныч сказал:

От 100 который двс, ему доверия нет там изолента синяя уже о многом говорит 

Там не только синяя) Там прям кружок изолентоплетения)) Зато на удивление всё в комплекте ... 

Поделиться сообщением


Ссылка на сообщение
Поделиться на другие сайты
rusgg
2 часа назад, Серёга7 сказал:

Наконец-то завод допёр, что такой технике нужен дизель

Метановые газоны тоже продают.

 

Поделиться сообщением


Ссылка на сообщение
Поделиться на другие сайты
Серёга7
4 часа назад, rusgg сказал:

Метановые газоны тоже продают.

 

Продают. Но основной движок теперь именно дизельный. А не бензиновый, как было раньше. На 53-х были бензиновые восьмёрки. Частники сами ставили на них МТЗовские дизеля. На 3307 дизель ставили и не сразу, и опционно. 

  • Нравится 1

Поделиться сообщением


Ссылка на сообщение
Поделиться на другие сайты
rusgg

@Серёга7 так там вариантов нету ,других моторов нету в россии 

Поделиться сообщением


Ссылка на сообщение
Поделиться на другие сайты
Серёга7
2 часа назад, rusgg сказал:

@Серёга7 так там вариантов нету ,других моторов нету в россии 

Ну почему же, на газель ведь находят альтернативы, и Каминс ставят не первый год, и Штаер был, 514-й есть, и VW вроде как планируют, и ранее эксперименты с дизелями были. А Газон всё как бедный родственник был, снача ваще без дизеля, а потом только с тракторным. По миру ведь не мало движков делают ... Да накрайняк тот же МТЗ в стоке ставили бы .. Этот ЯМЗ, тоже, прям совсем нашим назвать язык не повернётся. 

А вообще, отчасти и хорошо, что он хоть и один, но есть.Иначе так и были бы альтернативами восьмёрка да тракторный. Другими альтернативами ГАЗ на Газоне видимо не сможет порадовать. Народ вон, сам дизеля находит и ставит, а заводу сложно .. 

  • Нравится 1

Поделиться сообщением


Ссылка на сообщение
Поделиться на другие сайты
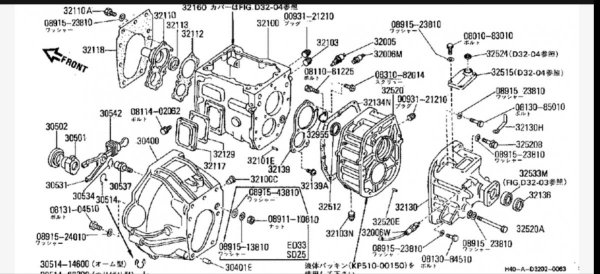
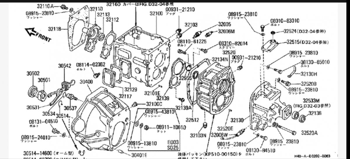
Серёга7

IMG_20211201_171601_622.jpg

IMG_20211201_171529_316.jpg

RT5R50A

Кто её родимую юзал ? 

Какая передатка в её делителе/ демультипликаторе ?

Нарыл на форуме цифру 0.9 .. Но это не точно .. Смысл в такой передатке ? Это ж повышение .. 

IMG_20211201_172438_034.jpg

IMG_20211201_172454_986.jpg

IMG_20211201_172511_262.jpg

IMG_20211201_172540_436.jpg

IMG_20211201_172112_481.jpg

Поделиться сообщением


Ссылка на сообщение
Поделиться на другие сайты
Владимир 23

Потекла ось подачи топлива(газа) тнвд, люфт сильный, значит ось и втулка изношены. Списался с Сапсаном он сказал что осей может 4 вида стоять и только одна есть в продаже, втулка залита в корпус - только высверливают.

Решил потренироваться на "кошках". Если со втулкой более менее все понятно и можно выточить, так как покупные идут чугунячие, вместо бронзы и износ на них идёт очень интенсивно, то с валом беда. Разобрал запасной ТНВД, износ вала тоже присутствует. Заехал к знакомому топливщику он подарил мне рычаг с фольца. Сама ось один в один а рычаг короче и в другую сторонуIMG_20211202_154005.thumb.jpg.d0d3596211c391a6bf49498e748b750b.jpg

Заехал в бош дизель сервис, рычаг на мой ТНВД 13000 и пол года ожидания. 

Поехал домой ломать подаренный. Короче оси выпресовал, поставил нормальную и сваркой прихватил

IMG_20211202_161620.thumb.jpg.6712efa7f6462062715a7c6881d341ed.jpg

Оси на большинстве насосов одинаковые в диаметре, разная длина и положение проточки под кольцо. Длину можно отрезать. Нашел какую то ось, по фотографиям, бош цена 1080р, заказал, как придет сделаю вторую крышку.

Если размеры подойдут номер выложу. 

  • Нравится 3

Поделиться сообщением


Ссылка на сообщение
Поделиться на другие сайты
rusgg

@Владимир 23 в ети нету таких проблем, это радует.

Поделиться сообщением


Ссылка на сообщение
Поделиться на другие сайты
Владимир 23

@rusgg на электронных  другие. позиционер, клапан spv. :tongue:

  • Нравится 1

Поделиться сообщением


Ссылка на сообщение
Поделиться на другие сайты
rusgg

@Владимир 23 да, но они вечные.

Чистить надо иногда, я один раз разбирал позиционер,  нету там ничего.

Проводка у эбу глючная, у японцев не было паяльника видимо.

Поделиться сообщением


Ссылка на сообщение
Поделиться на другие сайты
газель2005
В 27.11.2021 в 10:44, Серёга7 сказал:

А Газон всё как бедный родственник был, снача ваще без дизеля, а потом только с тракторным.

Газон был с дизелем с воздушным охлаждением. Он же лецензионный

дойтц и в конце с ЯМЗ 534.

Изменено пользователем газель2005

Поделиться сообщением


Ссылка на сообщение
Поделиться на другие сайты
Серёга7
2 часа назад, газель2005 сказал:

Газон был с дизелем с воздушным охлаждением. Он же лецензионный

дойтц и в конце с ЯМЗ 534.

Может и с Дойцем был, не спорю. Но сужу в основном по тому что встречал у нас сам. Это в подавляющем числе случаев бензиновый V8, и израдка разбавленный МТЗ'овским тракторным дизелем. И то, от 1/3 до 1/2 встречавшихся газиков с тракторным дизелем, были самостоятельными переделками. 

Поделиться сообщением


Ссылка на сообщение
Поделиться на другие сайты
Владимир 23

Сегодня разобрал вторую крышку с ТНВД который на авто стоит. Выработка большая, как и ожидалось.

IMG_20211206_111236_copy_600x800.thumb.jpg.649b26b7fd14599b31c8823b9e25e739.jpg

Пришел вал, выбранный просто по картинкам за 1000рублефф, немного длиннее, но это ожидаемо. Фото с номерком, как обещал.IMG_20211206_111428_copy_600x800.thumb.jpg.ed51dc554d26f4c3cceb7e333e67173d.jpg

По картинкам смотрел чтоб проточка под колечко была дальше от верха, мне кажется так меньше износ будет, да и в центре выработка меньше.

Родной вал высверлил сверлом 6.5, в прошлый раз выдавил так что дупло в рычаге стало больше в 1.5 раза. От нового просто болгаркой отрезал.IMG_20211206_112025_copy_600x800.thumb.jpg.5d55d23e7f295ed9c85a79e7ba3f77d0.jpg

Выработка была даже на рычагеIMG_20211206_112150_copy_600x800.thumb.jpg.41fd7c708568c45194186aa1f41846f3.jpg

Шлифанул немногоIMG_20211206_112645_copy_600x800.thumb.jpg.27bad3430bead8c51219282ba2440058.jpg

Проточил ось новую, вставил и обварил полуавтоматом. IMG_20211206_115151_copy_600x800.thumb.jpg.a8d87f35e96cbf120ea5efb2824cde92.jpg

В крышке высверлил втулку сверло 12.0 острое и на малых оборотах. Не пытайтесь выбивать потому что втулка залита и имеет ребра. На фото видно пояски алюминия. IMG_20211206_121018_copy_600x800.thumb.jpg.6487036f77cdf565ff094708e6e9e4c0.jpg

Пытался развёрткой проити 13 и каждое колечко бронзы начинает прокручиваться, выковыривал шилом их, потом просверлил сверлом 13.2. втулку выточил с натягом 4 сотки намазал вал-втулочным герметиком (можно просто резьбовым) и запресовал. IMG_20211206_142804_copy_600x800.thumb.jpg.64a7845d8472a1ec1b55e7de2cdb5c21.jpg

Всё собрал, машин завелся, все норм. 

  • Нравится 4

Поделиться сообщением


Ссылка на сообщение
Поделиться на другие сайты
федотданетот
В 06.12.2021 в 16:58, Владимир 23 сказал:

Сегодня разобрал вторую крышку с ТНВД который на авто стоит. Выработка большая, как и ожидалось.

 

Пришел вал, выбранный просто по картинкам за 1000рублефф, немного длиннее, но это ожидаемо. Фото с номерком, как обещал.

По картинкам смотрел чтоб проточка под колечко была дальше от верха, мне кажется так меньше износ будет, да и в центре выработка меньше.

Родной вал высверлил сверлом 6.5, в прошлый раз выдавил так что дупло в рычаге стало больше в 1.5 раза. От нового просто болгаркой отрезал.

Выработка была даже на рычаге

Шлифанул немного

Проточил ось новую, вставил и обварил полуавтоматом. 

В крышке высверлил втулку сверло 12.0 острое и на малых оборотах. Не пытайтесь выбивать потому что втулка залита и имеет ребра. На фото видно пояски алюминия. 

Пытался развёрткой проити 13 и каждое колечко бронзы начинает прокручиваться, выковыривал шилом их, потом просверлил сверлом 13.2. втулку выточил с натягом 4 сотки намазал вал-втулочным герметиком (можно просто резьбовым) и запресовал. 

Всё собрал, машин завелся, все норм. 

Ну ты и рукоблудник. 

Прикрассная работа, класс.

Изменено пользователем Алексей Ф.
не нужно делать такие громадные цитаты , можно нажать кнопку "ник"
  • Нравится 1

Поделиться сообщением


Ссылка на сообщение
Поделиться на другие сайты
mixa1210

Парни ставил кто нибудь на наши движки воздушный увеличенный, типа как от некста 150сильного,есть эффект или не стоит заморачиваться и банки от 405 за глаза 

Поделиться сообщением


Ссылка на сообщение
Поделиться на другие сайты
rusgg

Размер фильтра влияет на ресурс самого фильтра и все.

Поделиться сообщением


Ссылка на сообщение
Поделиться на другие сайты

Для публикации сообщений создайте учётную запись или авторизуйтесь

Вы должны быть пользователем, чтобы оставить комментарий

Создать учетную запись

Зарегистрируйте новую учётную запись в нашем сообществе. Это очень просто!

Регистрация нового пользователя

Войти

Уже есть аккаунт? Войти в систему.

Войти
Авторизация  

×
×
  • Создать...