УТЮГ888 943 Опубликовано 19 августа, 2011 Спасет только трапеция в сборе с мотором Бош от газели бизнес, переборка старого сильно не поможет. Бощевский мотор работает как пулемёт, ни каких заеданий и остановок даже на сухую!.единственное правильное решение вопроса.многие уже пользуются. Поделиться сообщением Ссылка на сообщение Поделиться на другие сайты
dobrynya 47 Опубликовано 19 августа, 2011 у меня тупой вопрос .но прошу ответить биз трапеция принципиально отличается или тока в моторе разница. Поделиться сообщением Ссылка на сообщение Поделиться на другие сайты
УТЮГ888 943 Опубликовано 19 августа, 2011 у меня тупой вопрос .но прошу ответить биз трапеция принципиально отличается или тока в моторе разница..сама трапеция усиленная и моторредуктор ни в какое сравнение со стоковым.ставится и подключается всё быстро и без переделок.хочу всех предупредить-появились уже "китайские подделки"по цене в два раза дешевле оригинала. Поделиться сообщением Ссылка на сообщение Поделиться на другие сайты
Алексей Ф. 9 795 Опубликовано 20 августа, 2011 Видел трапецию "Бизнес" на рынке в НН за 1500 руб - это настоящая? Поделиться сообщением Ссылка на сообщение Поделиться на другие сайты
panik 91 Опубликовано 20 августа, 2011 Видел трапецию "Бизнес" на рынке в НН за 1500 руб - это настоящая?В ДМ 3400 руб вчера видел. Поделиться сообщением Ссылка на сообщение Поделиться на другие сайты
УТЮГ888 943 Опубликовано 20 августа, 2011 Видел трапецию "Бизнес" на рынке в НН за 1500 руб - это настоящая?..вот это как раз-"левые дела".оригинальную сделаю -2500р В ДМ 3400 руб вчера видел...там оригинал 100% Поделиться сообщением Ссылка на сообщение Поделиться на другие сайты
sergey.62 134 Опубликовано 8 сентября, 2011 Ребята,проблема с дворниками и много с чем другим довольно часто кроется в ...замке зажигания!О чем я убедился позавчера на собственном примере.О своей проблеме я писал в этой ветке,повторяться не буду.Короче,"жрал"часть тока сий замок.То ли контактная группа расшаталась,то ли еще что в ней,но когда я ее отсоединил от замка и поставил обратно(повторив операцию для надежности несколько раз,только не коснитесь оголенным контактом на этой группе до массы!!!)напряжение в бортовой сети повысилось,родные дворники залетали(!!!),при включении муфты вента стрелка на приборке теперь на деление выше 12(было 12),при работе поворотников стрелка не падает.Самое обидное,двое электриков в свое время облазили машину и этой хрени не обнаружили.Оговорюсь сразу,до всего этого гена был проверен на стенде,все контакты массы зачищены.Проводка штатная,безо всяких примочек(кроме реле дворников с регулируемой паузой) типа умных регуляторов напряжения и иже с ними.На вышеуказанную операцию ушло около 40 мин. Поделиться сообщением Ссылка на сообщение Поделиться на другие сайты
R18 8 Опубликовано 28 сентября, 2011 меня все интесует, почему на паузе все нормально работает, на первой скорости тоже, а вот на второй работают и потом начинается мозгокрутство, и скорости нет...встают на середине, потом мееедленно ползут Поделиться сообщением Ссылка на сообщение Поделиться на другие сайты
sobol615 45 Опубликовано 28 сентября, 2011 меня все интесует, почему на паузе все нормально работает, на первой скорости тоже, а вот на второй работают и потом начинается мозгокрутство, и скорости нет...встают на середине, потом мееедленно ползутНапряжения не хватает,провода тонкие на колодке питания.Eddcar добавлял два реле на доппитание.Пишет что работу дворнков не узнать. Поделиться сообщением Ссылка на сообщение Поделиться на другие сайты
R18 8 Опубликовано 28 сентября, 2011 провода тонкие на колодке питанияу меня 2002год, там действительно тонюсенькие проводочки... Поделиться сообщением Ссылка на сообщение Поделиться на другие сайты
Владисон 72 Опубликовано 28 сентября, 2011 у меня тупой вопрос .но прошу ответить биз трапеция принципиально отличается или тока в моторе разница..сама трапеция усиленная и моторредуктор ни в какое сравнение со стоковым.ставится и подключается всё быстро и без переделок.хочу всех предупредить-появились уже "китайские подделки"по цене в два раза дешевле оригинала. Господа, скажите пожалуйста, а на сколько в конечном итоге я получу разницу от переделки. Сейчас обратил внимание - у меня разболтались оси поводков дворников в своих так называемых подшипниках.Просто лишние 2,5 тр лучше уйдут на другое. Поделиться сообщением Ссылка на сообщение Поделиться на другие сайты
serjr 1 Опубликовано 28 сентября, 2011 Все намного проще чем кажется.Подсоединяем через отдельную колодку,чтоб не разрезать провода,а просто воткнуть это дело в родную колодку дворников.Выглядеть примерно будет так(фотка не моя,у меня немного переделано). А вот схемка,колодки смотрят вверх клемами,чтоб не перепутать.,где 1 - это плюс уходящий на дворники(я думаю на тепловое реле),2 - плюс возвращается на переключатель стеклоочистителей,3 - масса(можно было бы не трогать,но я решил дополнительно кинуть на кузов,вдруг контакт где нибудь плохинький),4 и 5 - это плюсы когда включаешь щетки(на которые нам и надо пустить дополнительный плюс через релюшки).Ну а 6 я не понял что такое,оставляем без изменений.Но может быть по другому,так что для надежности лучше прозвонить.Надеюсь все понятно. привет. собрал и я такую штуку. поначалу все было отлично , но теперь время от времени дворники не выключаются даже если выключит зажигание. только откинуть эти реле помогает. в штатном состоянии вроде бы работает. кто что посоветует. Поделиться сообщением Ссылка на сообщение Поделиться на другие сайты
УТЮГ888 943 Опубликовано 28 сентября, 2011 Господа, скажите пожалуйста, а на сколько в конечном итоге я получу разницу от переделки. Сейчас обратил внимание - у меня разболтались оси поводков дворников в своих так называемых подшипниках.Просто лишние 2,5 тр лучше уйдут на другое...эт сам решай.можно и так как есть оставить. Поделиться сообщением Ссылка на сообщение Поделиться на другие сайты
tRIALIST 0 Опубликовано 6 октября, 2011 Ребята,а вообще моторчик на дворниках реально перебрать-почистить-смазать или это не серьезно и надежнее просто менять весь механизм дворников в сборе?У меня дворники часто стали зависать посреди хода,а к осени-зиме хотелось бы надежной работы сего узла.Бывает,работает-а потом шлеп!и встали.А если в этот момент кто-нить оббрызжет!Ребят,без обид-пишите только то,что знаете и делали на практике,без ЦУ.Только конкретику.Тогда,думаю,всем будет это интересно.И полезно.Если замена-то замена.Если ремонт-то как,что и где делать.Заранее спасибо!Из Рязани всем привет!!!Здраствуйте. На ГАЗели стали плохо мести дворники. На прерывистом и на тихом режиме иногда встают посередине, а на быстром метут но неохотно. Смазал всю трапецию на ГАЗели, дворники стали мести бодрее, но всё-равно не так как раньше. А встают то они посередине на прерывистом режиме случайно не из-за релюхи? Прочитать всю тему нет времени, но кое что для себя выяснил, пару релюшек ставить надо . Поделиться сообщением Ссылка на сообщение Поделиться на другие сайты
R18 8 Опубликовано 15 октября, 2011 меня все интесует, почему на паузе все нормально работает, на первой скорости тоже, а вот на второй работают и потом начинается мозгокрутство, и скорости нет...встают на середине, потом мееедленно ползутпля. заменил трапецию, толку почти ноль. где курить, неужели моторчег помер? Что интересно без самих дворников крутит бодро...Eddcar добавлял два реле на доппитаниегде посмотреть можно? Поделиться сообщением Ссылка на сообщение Поделиться на другие сайты
R18 8 Опубликовано 16 октября, 2011 надо открывать новую тему. дворники реле трапеция печка. Понаблюдал за своими зверятами. При выключении печки начинают работать активнее. И еще при подключении напрямую, т.е. кидаем плюс на колодку моторчика, крутит замечательно, и даже не думает зависать, кто что скажет, какие мнения? Поделиться сообщением Ссылка на сообщение Поделиться на другие сайты
edcar 456 Опубликовано 16 октября, 2011 привет. собрал и я такую штуку. поначалу все было отлично , но теперь время от времени дворники не выключаются даже если выключит зажигание. только откинуть эти реле помогает. в штатном состоянии вроде бы работает. кто что посоветует. То же изредка начало пробивать такое дело :o Думаю пора мотор разбирать, пластины и концевик смотреть :( После такой работы как раньше было, в контактах всё что угодно может быть ! ПС : Самое интересное, что бизнес трапецию на такую дохлую проводку вешать, то же не вариант :( Поделиться сообщением Ссылка на сообщение Поделиться на другие сайты
R18 8 Опубликовано 17 октября, 2011 edcar, Ед, может расскажешь как реализовано, подробно, а то по по твоим поделкам возникли вопросы. Можно ведь использовать одно реле, меня пауза устраивает, и получается два вывода с реле надо врезать в проводку моторчика? или я не правильно понял? Поделиться сообщением Ссылка на сообщение Поделиться на другие сайты
rusgg 4 003 Опубликовано 17 октября, 2011 (изменено) услитель дворников Изменено 17 октября, 2011 пользователем rusgg Поделиться сообщением Ссылка на сообщение Поделиться на другие сайты
edcar 456 Опубликовано 17 октября, 2011 edcar, Ед, может расскажешь как реализовано, подробно, а то по по твоим поделкам возникли вопросы. Можно ведь использовать одно реле, меня пауза устраивает, и получается два вывода с реле надо врезать в проводку моторчика? или я не правильно понял? Ну во первых, два реле потому как две скорости . Отдельное силовое ( так сказать ) питание, подаётся только на мотор . Какой смысл опять гнать напругу по всем дохлым соединениям и проводам , а так мы сразу подаём питание на мотор . ПС : Пауза в этом деле вооще не при делах . Енто совершенно другая тема . Поделиться сообщением Ссылка на сообщение Поделиться на другие сайты
edcar 456 Опубликовано 17 октября, 2011 (изменено) edcar, Ед, может расскажешь как реализовано, подробно, а то по по твоим поделкам возникли вопросы. Можно ведь использовать одно реле, меня пауза устраивает, и получается два вывода с реле надо врезать в проводку моторчика? или я не правильно понял? R18 чтоб тут кучу схем не плодить, читай в этой теме начиная с 85 сообщения . Изменено 17 октября, 2011 пользователем edcar Поделиться сообщением Ссылка на сообщение Поделиться на другие сайты
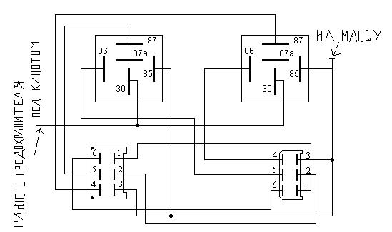
rusgg 4 003 Опубликовано 17 октября, 2011 (изменено) R18 чтоб тут кучу схем не плодить, читай в этой теме начиная с 85 сообщения .схема на 85 и 86 странице работать небудеттак как не будет работать электро тормоз , в мокрую погоду дворники не будут останавливатьсямотор будет по инерции проскакивать размыкание контактов на шестерневобщем принцип остановки мотра дворников прост замыкаются контакты моторчика между собой и всена ваших схемах нету этого Изменено 17 октября, 2011 пользователем rusgg Поделиться сообщением Ссылка на сообщение Поделиться на другие сайты
rusgg 4 003 Опубликовано 17 октября, 2011 (изменено) вот упрощенная схема только для первой скоростидиод можно и не ставить ,он для шумоподавления пауза и омыватель сохраняет свои функции Изменено 17 октября, 2011 пользователем rusgg Поделиться сообщением Ссылка на сообщение Поделиться на другие сайты
edcar 456 Опубликовано 17 октября, 2011 (изменено) схема на 85 и 86 странице работать небудеттак как не будет работать электро тормоз , в мокрую погоду дворники не будут останавливатьсямотор будет по инерции проскакивать размыкание контактов на шестерневобщем принцип остановки мотра дворников прост замыкаются контакты моторчика между собой и всена ваших схемах нету этого ТВОЯ ПРАВДА ! именно это и стало проявляться :( Нужно срочно переделать :rolleyes: ПС : А сначала так всё было хорошо :) Спасибо за подсказку ! Уже нашёл на моторе как он тормозит :( R18 не делай по предыдущим схемам как у меня ! Будут проблемы с тормозом ! rusgg всё правильно говорит !!! Изменено 17 октября, 2011 пользователем edcar Поделиться сообщением Ссылка на сообщение Поделиться на другие сайты
rusgg 4 003 Опубликовано 17 октября, 2011 (изменено) папка а мамка наоборот будет справа налево сверху вниз в 227 схеме не будет второй скорости вообще!!!! тут будет Изменено 17 октября, 2011 пользователем rusgg Поделиться сообщением Ссылка на сообщение Поделиться на другие сайты