msv 82 Опубликовано 25 марта, 2015 Согласен.Ща буду колдовать чтоб гбо 2 оставить(до лета надо доездить,а подом 2 jz)Надо только бензонасос отключать или еще форсунки?Эмулятор на форсунки ставится и хлопушка перед дроселем. Поделиться сообщением Ссылка на сообщение Поделиться на другие сайты
kikbokser 1 Опубликовано 26 марта, 2015 Привет всем!! Поставил инжектор ещё зимой,микас 5.4 дмрв нитка,были разные проблемы то работает то не работает,заглушишь заведёшь всё норм,опять заглушишь заведёшь троит как бы и тяга пропадает. Главный вопрос,при нижатии газа больше 30% двиг начинает как бы давиться или задыхаться рычит но обороты на набирает,отпустишь слегка и крутит до 6000 но мощности нет такой максималка по трассе 115,для сравнения на карбе было 145. Ещё когда подключаю мототестер то при нажатии педали в пол( к стати в пол да не в пол совсем дроссель открывается на 50%,в теме прочитал что это из-за сектора на дросселе)в программе загорается надпись "максимальная мощность". Главное что это всё не стабильно как то то он при 30% нажатия не работает то при 20%. Короче прошу помощи просто опасно ездить! Обгонять боюсь вдруг затупит(уже такое было потому и боюсь) :) Поделиться сообщением Ссылка на сообщение Поделиться на другие сайты
Splav61 35 Опубликовано 27 марта, 2015 Ну так по диагностике какие ошибки показывает.??Машина только на бензе или на газу...???Может форсунки забиты или Дмрв умирает.. Поделиться сообщением Ссылка на сообщение Поделиться на другие сайты
kikbokser 1 Опубликовано 28 марта, 2015 (изменено) Ну так по диагностике какие ошибки показывает.??Машина только на бензе или на газу...???Может форсунки забиты или Дмрв умирает..Ошибок нет вообще,очень редко выскакивает точно не помню но связана с РХХ плохой контакт вроде,езжу только на бензине. Значит по интсрукции проверял дмрв всё в норме напряжение правильное нить греется,может конечно провисла,непонятно. Как ещё можно его проверить? Слышал как то по диагностике видно напряжение дмрв и там можно определить умирает или нет,так то он древний лет наверное 16-17 не помню там дата на корпусе есть.Форсунки промывал распыл хороший и одинаковый у всехРегулятор давления топлива проверял на 3 сбрасываетБензонасос новый чистый,фильтры новые. Вот отстойник возле бака не проверял ещё Изменено 28 марта, 2015 пользователем kikbokser Поделиться сообщением Ссылка на сообщение Поделиться на другие сайты
kikbokser 1 Опубликовано 28 марта, 2015 Дмрв с 1997г :D Поделиться сообщением Ссылка на сообщение Поделиться на другие сайты
Splav61 35 Опубликовано 29 марта, 2015 Попробуй с кем ни будь поменяться на время дмрв.Покатайсся сравни... Поделиться сообщением Ссылка на сообщение Поделиться на другие сайты
kikbokser 1 Опубликовано 29 марта, 2015 Попробуй с кем ни будь поменяться на время дмрв.Покатайсся сравни...это проблема ниукого нет такого дмрв((( А можно под плёнку микас 5.4 переделать??? Поделиться сообщением Ссылка на сообщение Поделиться на другие сайты
Splav61 35 Опубликовано 29 марта, 2015 (изменено) Попробуй за место бака канистру подставить и обратку и заборник туда.Может у тебя шлак какой с бака поднимает. Изменено 29 марта, 2015 пользователем Splav61 Поделиться сообщением Ссылка на сообщение Поделиться на другие сайты
kikbokser 1 Опубликовано 30 марта, 2015 Попробуй за место бака канистру подставить и обратку и заборник туда.Может у тебя шлак какой с бака поднимает.То есть предположительно у меня проблема с подачей топлива? А может быть такая проблема из-за вазовского топливного фильтра??? Поделиться сообщением Ссылка на сообщение Поделиться на другие сайты
Splav61 35 Опубликовано 30 марта, 2015 (изменено) То есть предположительно у меня проблема с подачей топлива? А может быть такая проблема из-за вазовского топливного фильтра???Не должно ,у меня от нивы стоит. Изменено 30 марта, 2015 пользователем Splav61 Поделиться сообщением Ссылка на сообщение Поделиться на другие сайты
kikbokser 1 Опубликовано 10 апреля, 2015 Пока не пробовал шланги в канистру опускать просто пережал вакуумный шланг идущий к регулятору давления топлива и стало по лучше :D Поделиться сообщением Ссылка на сообщение Поделиться на другие сайты
kikbokser 1 Опубликовано 15 апреля, 2015 по поводу моей проблемы возникла мысль,а что если виной всему зажигание??? то есть поправка и угол опережения у меня не те и по этому мотор не крутится,пришел к этому когда мотак настраивал и он не раскручивался пока не подключил вакуум к корректору зажигания. Сколько градусов должно быть зажигание и какой угол опережения,для бензина микас 5.4 подскажите кто в курсе :) Поделиться сообщением Ссылка на сообщение Поделиться на другие сайты
Splav61 35 Опубликовано 15 апреля, 2015 если уж на то пошло то смотри метки грм .А лучше транспортиром проверить...По бк настоить можно на бензе 0 или +3 но изменение не почувствуешь.. Поделиться сообщением Ссылка на сообщение Поделиться на другие сайты
kikbokser 1 Опубликовано 16 апреля, 2015 (изменено) метки в порядке,пару дней назад прокладку под гбц менял(к стати оказалось что дело было не в прокладке я уже думал трещина но обошлось,треснули 2 шайбы под болтами гбц из-за этого прокладка не обжималась и тосол уходил во второй цилиндр) всё выставил а цепям год всего тоже хорошие не вытянутыа 0 и +3 это что? кореекция угла опережения или сам угол опережения. У меня бортовика нету есть адаптор я через комп настраивал,помню угол зажигания был 14 или чтото вроде а коррекция то ли +5 то ли -5 непомню,возьму ноут буду опять пробовать. грм точно отпадает по тому что на карбе всё было отлично мотор крутился на ура Изменено 16 апреля, 2015 пользователем kikbokser Поделиться сообщением Ссылка на сообщение Поделиться на другие сайты
kikbokser 1 Опубликовано 27 апреля, 2015 (изменено) Вот такой вопрос возник,нашел за дёшево микас 7.1 но он для 405.22 мотора,вот такая прошивка 241.3763 000-63 версия пзу не разборчиво так как смотрю на фото но кончается на 38,так вооот его можно на 406.2 поставить???? Изменено 27 апреля, 2015 пользователем kikbokser Поделиться сообщением Ссылка на сообщение Поделиться на другие сайты
Splav61 35 Опубликовано 27 апреля, 2015 Вот такой вопрос возник,нашел за дёшево микас 7.1 но он для 405.22 мотора,вот такая прошивка 241.3763 000-63 версия пзу не разборчиво так как смотрю на фото но кончается на 38,так вооот его можно на 406.2 поставить????Вот такой вопрос возник,нашел за дёшево микас 7.1 но он для 405.22 мотора,вот такая прошивка 241.3763 000-63 версия пзу не разборчиво так как смотрю на фото но кончается на 38,так вооот его можно на 406.2 поставить????Да должен работать.Даже может порезвей.Вот только на этой версии датчик скорости стоитБольше 4000 крутишь ошибка вылетает и отключает форсунки на пару сек. Поделиться сообщением Ссылка на сообщение Поделиться на другие сайты
kikbokser 1 Опубликовано 28 апреля, 2015 (изменено) Да должен работать.Даже может порезвей.Вот только на этой версии датчик скорости стоитБольше 4000 крутишь ошибка вылетает и отключает форсунки на пару сек.а датчик скорости программно можно отключить? без перепрошивки. В основном меня расход интересует а то как то скачет,ездию одинаково но то 12 то почти 20 на сотнюА можно туда залить прошивку под 406? Смотрел про м7 спорт там есть такой блок в перечне поддерживаемых и пишут что под 406 мотор шьётся и ставится дад и дтв. Изменено 28 апреля, 2015 пользователем kikbokser Поделиться сообщением Ссылка на сообщение Поделиться на другие сайты
вангазыч 5 Опубликовано 26 мая, 2015 (изменено) всем привет, пробежался по теме но хотел бы уточнить, хочу переделать змз 406 карб в инжектор, для этого нужно:контроллер - какой выбрать?рессивер- от каких моторов подходит?проводканасос высокого давления- где крепится?если повезёт найти гбо 4 поколения (ещё бы надыбать сразу)в самом двигле нужно ли чего то переделывать?и может не в тему здесь (да простят админы) подскажите разборку в питере где можно усё купить недорого???добавьте или поправьте что ещё недописал, хотелось бы свою идею воплотить в жизнь! Изменено 26 мая, 2015 пользователем вангазыч Поделиться сообщением Ссылка на сообщение Поделиться на другие сайты
михыч газельваген 0 Опубликовано 26 мая, 2015 (изменено) парни читал, читал но не все понял.У меня старая торпеда стоял 402 дв. я воткнул инж 405 с микасом купил новую косу в ней две вот таких фишки. вопрос таков :1 + от акб через предик ! на фишке это красный толстый?!!!!!! предик сколько ампер ставить?2 +от замка зажигания ! на фишке это коричнево белый !!!!!! на этот провод мне цеплять от старой косы провод с комутатора?для чего вторая фишка, и для чего еЩе одна в ней один провод фиолетовый? правильно написал или нет? Изменено 26 мая, 2015 пользователем михыч газельваген Поделиться сообщением Ссылка на сообщение Поделиться на другие сайты
михыч газельваген 0 Опубликовано 27 мая, 2015 парни читал, читал но не все понял.У меня старая торпеда стоял 402 дв. я воткнул инж 405 с микасом купил новую косу в ней две вот таких фишки. 20150526_182805.jpg вопрос таков :1 + от акб через предик ! на фишке это красный толстый?!!!!!! предик сколько ампер ставить?2 +от замка зажигания ! на фишке это коричнево белый !!!!!! на этот провод мне цеплять от старой косы провод с комутатора?для чего вторая фишка, и для чего еЩе одна в ней один провод фиолетовый? правильно написал или нет?А забыл на бензонасос какой провод брать ? Поделиться сообщением Ссылка на сообщение Поделиться на другие сайты
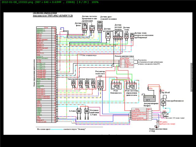
михыч газельваген 0 Опубликовано 27 мая, 2015 А забыл на бензонасос какой провод брать ?судя по этой схемке бензанасос 3 провод в 1 фишке белый. Поделиться сообщением Ссылка на сообщение Поделиться на другие сайты
михыч газельваген 0 Опубликовано 29 мая, 2015 судя по этой схемке бензанасос 3 провод в 1 фишке белый.да спасибо за советы)))) как я написал так и есть .1 красный- + акб2 коричневый - с белым на + от комутатора контакт замка 15/13 белый - бензанасос +это в фишке нового образцавторая фишка все датчики охл.,давления масла итд. Поделиться сообщением Ссылка на сообщение Поделиться на другие сайты
алексей465 0 Опубликовано 10 июля, 2015 доброй ночи всем, есть соболь комби 2000г с двигателем 406"к" его недавно согрели пробило прокладку, есть волга 3110 пробег окола 30000 у друга с 406"и" (завязанная в узел), вроде сложностей с перебросом мотора нет, но есть проблемка пока донор парился в гараже энное время с неё ушли в неизвесном напровлении мозги, и теперь ни кто незнает какие там стояли, вопрос для знатоков какие там мозги стоялиплизз:-) Поделиться сообщением Ссылка на сообщение Поделиться на другие сайты
barbos 80 Опубликовано 10 июля, 2015 алексей465, выбери по комплектации http://www.chiptuner.ru/content/gaz_spec_m7/ Поделиться сообщением Ссылка на сообщение Поделиться на другие сайты
алексей465 0 Опубликовано 11 июля, 2015 спасибо!!! будем разбираться Поделиться сообщением Ссылка на сообщение Поделиться на другие сайты