Перейти к содержанию
           
Авторизация  
Gazeksys

Предпусковой подогрев двигателя (тосол, масло)

Рекомендуемые сообщения

L2140
26 минут назад, 2uhuf3p2a30h сказал:

боковой остается холодный

а он вообще прогревается?

26 минут назад, 2uhuf3p2a30h сказал:

идет в расширительный бачок.

и в радиатор, откуда в помпу.

 

26 минут назад, 2uhuf3p2a30h сказал:

Подозреваю что даже если я возьму вход со сливного отверстия на блоке двигателя это ничего не изменит, тк выход все равно в термостат а значит в пароотвод

из-за наличия термостата в передней части двигателя правильно подавать кипяток в верхнюю часть рубашки (ГБЦ) сзади. А отбор холодной делать из нижней части рубашки (БЦ) спереди через нижний шланг радиатора. Об этом я писал выше. При такой схеме последнее что вскипятится будут ДТОЖ и термостат. Перед этим будет прогрета вся рубашка охлаждения. 

Изменено пользователем L2140

Поделиться сообщением


Ссылка на сообщение
Поделиться на другие сайты

2uhuf3p2a30h
6 минут назад, L2140 сказал:
32 минуты назад, 2uhuf3p2a30h сказал:

боковой остается холодный

а он вообще прогревается?

не знаю через три минуты начинает бежать антифриз через пробку расширит бачка и я выключаю

 

7 минут назад, L2140 сказал:

и в радиатор, откуда в помпу.

да кстати после термостата, если он откроется, он может и через радиатор и через двигатель в помпу пойти, поэтому правильней вход котла сделать со сливной пробки блока цилиндров. Тогда убыль жидкости будет в двигателе и прогретая жидкость пойдет после термостата в двигатель тк там убыль, но как сделать так чтобы она в пароотвод не пускалась?

 

11 минут назад, L2140 сказал:

из-за наличия термостата в передней части двигателя правильно подавать кипяток в верхнюю часть рубашки (ГБЦ) сзади.

только есть ли отверстие в верхней части рубашки (ГБЦ) сзади?

Поделиться сообщением


Ссылка на сообщение
Поделиться на другие сайты
L2140
1 минуту назад, 2uhuf3p2a30h сказал:

не знаю

надо проверить. 

2 минуты назад, 2uhuf3p2a30h сказал:

поэтому правильней вход котла сделать со сливной пробки блока цилиндров

если хотите оставлять котел справа, то запитка со сливной пробки (если отвернёте) будет лучше, чем есть сейчас. Но вход по-прежнему останется в корпус термостата что приводит к открытию термостат и ложным показаниям температуры двигателя при фактически холодном двигателе. Постепенно температура выравняется. Но это потребует больше времени. Также создастся лишний малый круг, уменьшающий охлаждение ГБЦ у 4-го цилиндра. 

Поделиться сообщением


Ссылка на сообщение
Поделиться на другие сайты
2uhuf3p2a30h
16 минут назад, L2140 сказал:

Также создастся лишний малый круг, уменьшающий охлаждение ГБЦ у 4-го цилиндра.

надо кран поставить сантехнический и открывать его только при включении подогрева

Поделиться сообщением


Ссылка на сообщение
Поделиться на другие сайты
L2140

@2uhuf3p2a30h 

а процесс, случайно не так выглядит: расширительный бачок имеющий уровень ОЖ по середине. В течении этих 5-10 минут наполняется через пароотводной штуцер. Т.е. не то, чтобы кипит, бурлит в бачке,  резко выбрасывая ОЖ, а наполняется со скоростью равной скорости излива из пароотвода?

Поделиться сообщением


Ссылка на сообщение
Поделиться на другие сайты
2uhuf3p2a30h

@L2140 
я думаю что похоже как наполняется тк вытекает достаточно много,
точный уровень в бачке я не могу сказать тк бачок у меня уже не прозрачный

Поделиться сообщением


Ссылка на сообщение
Поделиться на другие сайты
L2140
10 минут назад, 2uhuf3p2a30h сказал:

точный уровень в бачке я не могу сказать тк бачок у меня уже не прозрачный

при открученной пробке видно. На глаз можно прикинуть середина или нет. Ну или в тёмное время на просвет фонариком. 

Тут в инструкции сказано, что температура отключения 75-80. У вас открывается термостат. Какой он не понятно . Может не штатный на 70 и дырявый?

Если штатный на 80, то дело может быть в перегреве котлом ОЖ или из-за отказа термовыключателя или из-за недостаточной, не правильной (выход кипятка с обоих штуцеров) циркуляции через котел. 

Недостаточность, не правильность циркуляции также влияет на переполнение расширителя, когда не происходит отсос в помпу .

df718b5s-960.jpg

Поделиться сообщением


Ссылка на сообщение
Поделиться на другие сайты
2uhuf3p2a30h
14 минут назад, L2140 сказал:

из-за недостаточной, не правильной (выход кипятка с обоих штуцеров) циркуляции через котел. 

я же проверял рукой, при включении, нагрев идет в направлении вертикального штуцер котла (тот который затем идет на термостат), боковой штуцер - холодный.
Термостат менял меньше года назад, даже проверял его кипятком, но сейчас не помню температуру - думаю стандартный.

 

@L2140 Все равно спасибо за советы, попробую вход котла сделать со сливной пробки блока цилиндров, тогда убыль жидкости будет в двигателе и прогретая жидкость пойдет после термостата в двигатель тк там убыль

Изменено пользователем 2uhuf3p2a30h

Поделиться сообщением


Ссылка на сообщение
Поделиться на другие сайты

L2140
10 минут назад, 2uhuf3p2a30h сказал:

 

@L2140 Все равно спасибо за советы, попробую вход котла сделать со сливной пробки блока цилиндров, тогда убыль жидкости будет в двигателе и прогретая жидкость пойдет после термостата в двигатель тк там убыл

рано.

Начинать нужно с того, что старый грязный котел был установлен так, что работал. Поэтому и дожил до своего преклонного возраста. Значит в системе случилась неисправность. 

14 минут назад, 2uhuf3p2a30h сказал:

думаю стандартный

включите зажигание и контролируйте температуру в корпусе термостата при работе котла по указателю на щитке приборов. Будет понятно и при какой температуре откроется термос и до какой температуры кипятит котел. Если достигнется температура за 80, значит ограничена циркуляция (подача холодной в котел) или превышена температура нагрева из-за отказа выключателя. 

Поделиться сообщением


Ссылка на сообщение
Поделиться на другие сайты
B.V.A

Вход сделайте в блок, с правильной установкой по высоте и горизонту, забор с патрубка расширителя.. 

Если будет чудить то в мульду..

Новый брать только северс -м, минимум 1.5 кВт..

 

Установка прямо внизу под сливной  пробкой/краном, чтоб вход был вверх по прямой! или почти), плюс ниже системы ож, или почти в ровень..

Поделиться сообщением


Ссылка на сообщение
Поделиться на другие сайты
2uhuf3p2a30h

А что если сделать забор на котел сделать со сливной пробки блока цилиндров а выход сделать возле помпы. Понятно что по высоте помпа пониже термостата.
Но все же помпа повыше нижней сливной точки блока, плюс по длине циркуляция будет через все цилиндры - должна быть циркуляция.

 

Поделиться сообщением


Ссылка на сообщение
Поделиться на другие сайты
Brovkin
В 02.12.2022 в 18:46, L2140 сказал:

всегда. H2O формула. 

Высеры метать только и осталось )) Как и писалось ранее - два твоих первых пункта бестолковые. 

2 часа назад, 2uhuf3p2a30h сказал:

А что если сделать забор на котел

Выкинь это говно, и поставь тэн в блок. вместо заглушки, пускай слабее по квт, зато надежно. и подогреть для пуска достаточно.

Поделиться сообщением


Ссылка на сообщение
Поделиться на другие сайты
B.V.A
12 минут назад, Brovkin сказал:

Выкинь это говно, и поставь тэн в блок. вместо заглушки, пускай слабее по квт, зато надежно. и подогреть для пуска достаточно.

 

Тэн в блок минимум надо ват на 800.. а в морозы фофан на мотор кидать..

Все это пройдено(..

 

А котлы норм работают, если установлены правильно.., они даже лучше чем с помпой..

 

  • Нравится 2

Поделиться сообщением


Ссылка на сообщение
Поделиться на другие сайты
Brovkin
1 минуту назад, B.V.A сказал:

Тэн в блок минимум надо ват на 800.. а в морозы фофан на мотор кидать..

Стоял у меня вроде на 650вт.. хватало.

Поделиться сообщением


Ссылка на сообщение
Поделиться на другие сайты
соболевич
30 минут назад, B.V.A сказал:

А котлы норм работают, если установлены правильно.., они даже лучше чем с помпой..

У нас морозы редкость , но я ставил Северс. За небольшую цену (установка своя) вполне достойная фишка, встал провод выкинул на улицу, пока умылся-побрился мотор теплый. Красоота! и голова не болит - заведу- не заведу.

  • Нравится 3

Поделиться сообщением


Ссылка на сообщение
Поделиться на другие сайты
L2140
4 часа назад, Brovkin сказал:

поставь тэн в блок. вместо

поршня 4-го цилиндра

 

4 часа назад, B.V.A сказал:

Тэн в блок

 там (в рубашке охлаждения блока) нет места для ТЭНа. 

 

 

6 часов назад, 2uhuf3p2a30h сказал:

А что если сделать забор на котел сделать со сливной пробки блока цилиндров а выход сделать возле помпы. Понятно что по высоте помпа пониже термостата.
Но все же помпа повыше нижней сливной точки блока, плюс по длине циркуляция будет через все цилиндры - должна быть циркуляция.

это всё также  менее эффективно чем полная диагональ .  И рассматривать надо не помпу, а каналы из помпы в блок. А нижняя часть каналов (кроме дренажа) чуть выше нижней точки рубашки охлаждения блока.

  • Нравится 1

Поделиться сообщением


Ссылка на сообщение
Поделиться на другие сайты
соболевич

Ставьте ваш подогрев по инструкции для ВАШЕГО ДВИГАТЕЛЯ , без советов и своих предположений.Вся инфа есть в инете и на сайте производителя.

  • Нравится 3

Поделиться сообщением


Ссылка на сообщение
Поделиться на другие сайты
газель2005

@2uhuf3p2a30h Вход на шланг расширителя у низа,а выход в гбц сзади.Никакого крана не надо.Хоть с шариком,хоть без ни как не влияет на работу системы в любые времена года.

  • Нравится 1

Поделиться сообщением


Ссылка на сообщение
Поделиться на другие сайты
B.V.A
5 часов назад, соболевич сказал:

 За небольшую цену (установка своя) вполне достойная фишка, встал провод выкинул на улицу, пока умылся-побрился мотор теплый. Красоота! и голова не болит - заведу- не заведу.

 

Было время на стоянке стоял пока её не прикрыли, электричество халява, приехал и сразу воткнул, всегда теплая была с ноября по март).. 

Котлы тема, да ещё если с защитой.. с 220в лучшее..

 

1 час назад, соболевич сказал:

Ставьте ваш подогрев по инструкции для ВАШЕГО ДВИГАТЕЛЯ , без советов и своих предположений.Вся инфа есть в инете и на сайте производителя.

 

Зачем, читай как газету или комиксы,  интересно же).. им об этом сразу было сказано..

 

Поделиться сообщением


Ссылка на сообщение
Поделиться на другие сайты
2uhuf3p2a30h
17 часов назад, B.V.A сказал:
18 часов назад, соболевич сказал:

Ставьте ваш подогрев по инструкции для ВАШЕГО ДВИГАТЕЛЯ , без советов и своих предположений.Вся инфа есть в инете и на сайте производителя.

 

Зачем, читай как газету или комиксы,  интересно же).. им об этом сразу было сказано..

 

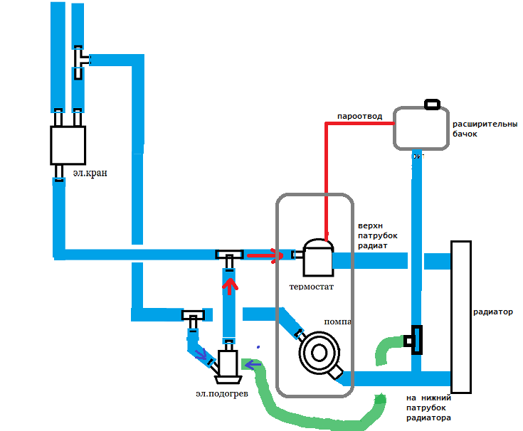
По найденным в интернете инструкциям, в том числе и на другие подобные котлы, Старт-М  например (конвекционного типа, без насоса, с обратным клапаном в виде шарика) - все они предлагают выход нагретой жидкости делать в верхний патрубок радиатора -  т.е как и у меня в термостат. Но у меня так и сделано но через 2-3 минуты начинает бежать через крышку термостата в пароотводный шланг и далее в расширительный бачок. 
И кстати забор из патрубка расширителя это по существу тоже самое что у меня сейчас есть - т.е из помпы, нарисовал зеленым

image.thumb.png.b72471916bdcee839b9f1ef19c94ecd0.png

Изменено пользователем 2uhuf3p2a30h

Поделиться сообщением


Ссылка на сообщение
Поделиться на другие сайты
B.V.A

Яб вывернул кран слива, или в магазине посмотрел, какая резьба.. и купил штуцер угол с такой резьбой, с другой стороны естественно под шлаг.. резьба возможно под конус..

И вкрутил в блок..

Производители рекомендуют ставить так же  с входом в блок.. на некоторые ДВС.. на ДВС  система ож везде идентичная..

 

 

 

Тем более как у тебя щас стоит, возможен глюк по датчику темп..

Поделиться сообщением


Ссылка на сообщение
Поделиться на другие сайты
L2140
30 минут назад, 2uhuf3p2a30h сказал:

По найденным в интернете инструкциям

все мануалы производителей строятся на основе упрощения/удешевления установки для среднестатистической "газели". 

 

34 минуты назад, 2uhuf3p2a30h сказал:

Но у меня так и сделано но через 2-3 минуты начинает бежать через крышку термостата в пароотводный шланг и далее в расширительный бачок

ВЫ упорно ходите по кругу, выход из которого Вам обозначили в начале темы в виде четырех пунктов.

3 минуты назад, B.V.A сказал:

Яб вывернул кран слива

чтобы его вывернуть, надо его ввернуть. А это перестали делать при горбачёве.

 

Поделиться сообщением


Ссылка на сообщение
Поделиться на другие сайты
B.V.A
47 минут назад, L2140 сказал:

чтобы его вывернуть, надо его ввернуть. А это перестали делать при горбачёве.

 

 

Можно ещё вставить :huh:, не доставая..

Эт при Путине..

Поделиться сообщением


Ссылка на сообщение
Поделиться на другие сайты
соболевич
1 час назад, 2uhuf3p2a30h сказал:

По найденным в интернете инструкциям, в том числе и на другие подобные котлы,

Абсолютно так был подключен Северс у меня 1.5 квт и все прекрасно работало. Забор был с патрубка который идет на расширительный бачок (16мм) выход с северса на патрубок который подводит к печке (20мм). Последний вариант - может( шланги) на самом котле их местами поменяли? При ремонте возможно снимался и воткнули как попало. Проверь этот вариант, на подогреве обычно стрелками кажут вход-выход.

Изменено пользователем соболевич

Поделиться сообщением


Ссылка на сообщение
Поделиться на другие сайты
jon61rus
В 04.12.2022 в 10:16, 2uhuf3p2a30h сказал:

А что если сделать забор на котел сделать со сливной пробки блока цилиндров а выход сделать возле помпы. Понятно что по высоте помпа пониже термостата.
Но все же помпа повыше нижней сливной точки блока, плюс по длине циркуляция будет через все цилиндры - должна быть циркуляция.

 

У меня  так, было сделано на Патриоте только выход в корпус термостат, грело очень хорошо на работе я его и не отключал. ЗМЗ 409

Поделиться сообщением


Ссылка на сообщение
Поделиться на другие сайты

Для публикации сообщений создайте учётную запись или авторизуйтесь

Вы должны быть пользователем, чтобы оставить комментарий

Создать учетную запись

Зарегистрируйте новую учётную запись в нашем сообществе. Это очень просто!

Регистрация нового пользователя

Войти

Уже есть аккаунт? Войти в систему.

Войти
Авторизация  

×
×
  • Создать...