Перейти к содержанию
           
Авторизация  
Gazeksys

Предпусковой подогрев двигателя (тосол, масло)

Рекомендуемые сообщения

aleks2

@вилли я думаю подогрев нужен будет ,уж больно хороший фильтр стоит.я тоже так обжогся ,сейчас сразу припаевую провода с разъёмом.

Поделиться сообщением


Ссылка на сообщение
Поделиться на другие сайты

Vovchikk

Так подогрев там работает как я понимаю только в момент запуска или я ошибаюсь? Если так, то какой с него прок если соляра плохая.

Поделиться сообщением


Ссылка на сообщение
Поделиться на другие сайты
вилли

В сервисе по каминсам сказали что железно подогрев не нужен будет зимой,раз за соляру уверен.

Поэтому ездим пока так

Поделиться сообщением


Ссылка на сообщение
Поделиться на другие сайты
dtrans
1 минуту назад, вилли сказал:

В сервисе по каминсам сказали что железно подогрев не нужен будет зимой,раз за соляру уверен.

Поэтому ездим пока так

Подтверждаю, не нужен. Если попал на саляру, не поможет. Заведётся, но нормально не поедешь. Был опыт на бывшем Бизнесе, когда ГПН всех подставил от Москвы до Питера. Кое как дотянул до заправки, залил в бак антигель и пол дня тарахтел на холостых. При чём занятие это опасное, т.к. вместо саляры идет пена. Воздух сосёт со всех соединений.  В 2017 на новом Нексте сразу выдернул этот штэкер и заклеил изолентой. Если есть предпусковой, то и провод от спирали открути. ИМХО. 

  • Нравится 1

Поделиться сообщением


Ссылка на сообщение
Поделиться на другие сайты
zhn36

@L2140 

на авито продают подделку

Поделиться сообщением


Ссылка на сообщение
Поделиться на другие сайты
ласточка 165
11 часов назад, вилли сказал:

Подогрев топлива в фильтре сепараторе то точно не понадобиться зимой? А то заклеил фишку

1167430223_P_20220416_1215231.thumb.jpg.e04a79a082bf70ee89a1e7d9931b5f59.jpg

 

1044414786_P_20220416_1214041.thumb.jpg.6ae14be23a01659ac32e9f97625624e7.jpg

 

Но гнетут сомнения,заводиться плохо не станет зимой?Или готовиться к покупке нового корпуса,пробег то за 200000

Эта тема обжована на мильен раз,читал же наверняка,6 лет,заклеена эпоксидкой,он нафиг нееужен,это подогрев

Поделиться сообщением


Ссылка на сообщение
Поделиться на другие сайты
вилли
3 минуты назад, ласточка 165 сказал:

Эта тема обжована на мильен раз,читал же наверняка,6 лет,заклеена эпоксидкой,он нафиг нееужен,это подогрев

Не знаю,я на форуме не нашел...

Поделиться сообщением


Ссылка на сообщение
Поделиться на другие сайты
Alex030569
11 часов назад, вилли сказал:

Не знаю,я на форуме не нашел...

Я уже лет пять езжу с запаянным,все хорошо.При чем попадал и с замерзающей соляркой.Выход-у меня стоит доп фильтр с металл корпусе,сам элемент я уже не ставлю давно,а вот когда прихватывает топливо,грею этот металл корпус газовой горелкой и потом переключаю на другой бак с хорошей соляркой.

Поделиться сообщением


Ссылка на сообщение
Поделиться на другие сайты

2uhuf3p2a30h

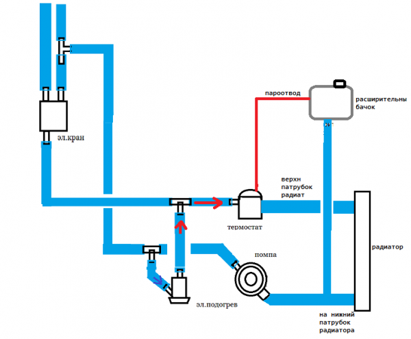
Подскажите почему через 5-10 минут после включения эл.подогрева у меня закипает антифриз так что начинает бежать через расширительный бачок.
Установлен эл.подогрев (еще предыдущим владельцем) в параллель помпа-термостат, вроде по такой схеме:
image.thumb.png.02e6a1343784508a60cfb5fa66dede41.png

 

 

elpodogrev.png

Изменено пользователем 2uhuf3p2a30h
добавить фото1

Поделиться сообщением


Ссылка на сообщение
Поделиться на другие сайты
соболевич
24 минуты назад, 2uhuf3p2a30h сказал:

Подскажите почему через 5-10 минут после включения эл.подогрева у меня закипает антифриз

Если подогрев с встроенным насосом , то может насос не работает, если без насоса то клапанок внутри возможно запал . Больше там ломаться нечему

Поделиться сообщением


Ссылка на сообщение
Поделиться на другие сайты
2uhuf3p2a30h

а как же циркуляция, термосифонный эффект?
Есть же подогревы без насоса, разве антифриз не должен начать циркулировать на основе естественной конвекции.
Двигатель ледяной, на улице минус 30, проходит всего пять минут после включения и оно бежит через расширительный бачок.
Или это локальный перегрев и подогреватель должен автоматически отключаться?

Поделиться сообщением


Ссылка на сообщение
Поделиться на другие сайты
B.V.A

Тут смотреть надо по месту, похоже установлен не правильно, высота, угол наклона и т.д.. от этого нет циркуляции, а она происходит по мере прогрева жижи.. странно что он не вырубается там должна быть защита..

Как котел называется и какая мощ в кВт ?..

 

Изменено пользователем B.V.A

Поделиться сообщением


Ссылка на сообщение
Поделиться на другие сайты
L2140
35 минут назад, 2uhuf3p2a30h сказал:

Подскажите почему через 5-10 минут после включения эл.подогрева у меня закипает антифриз так что начинает бежать через расширительный бачок.
Установлен эл.подогрев (еще предыдущим владельцем) в параллель помпа-термостат, вроде по такой схеме:
 

 

 

 

 

1. Проверьте температуру кипения ОЖ

2.Проверьте чистоту пароотводов системы охлаждения

3.Определите модель подогревателя . Прочитайте о возможных неисправностях в работе . Например отказ защиты от перегрева.

4. Подогреватель установлен не рационально в систему охлаждения: циркуляция у первого цилиндра с радиатором охлаждения, что затрудняет прогрев рубашки.  Желательно делать по диагонали: подача в заднюю часть ГБЦ, отбор из нижнего шланга радиатора.

Поделиться сообщением


Ссылка на сообщение
Поделиться на другие сайты
Владимир 86 Регион.

 Или антифриз старый , разбодяжен водой и застыл в шлангах.

  • Нравится 1

Поделиться сообщением


Ссылка на сообщение
Поделиться на другие сайты
L2140

@2uhuf3p2a30h 

и рекомендую проверить наличие четвёртого болта крепления правого кронштейна ДВС к блоку цилиндров. А остальные болты поставить нужной длины и с гроверами,если нет информации что болты с клеем завёрнуты. 

Поделиться сообщением


Ссылка на сообщение
Поделиться на другие сайты
B.V.A

 

Я пользовал такие котлы, лет пятнадцать назад, норм, от механических таймер розеток..

 

Вся суть в правильной установке, помпа блок, угол наклона котла, и чтоб был ниже системы ож.. всё просто..

Ну и первое включение только после полного удаления воздуха, а эт полный прогрев ДВС, с открытие термостата.. иначе будут проблемы..

 

@L2140 , инфа нужна по названию девайса, она на крышке, и мотора..

Далее на сайте производителя всё есть.. по правильному  подключению.. в буквах фотах и картинках..

Так ему понятней будет..

  • Нравится 1

Поделиться сообщением


Ссылка на сообщение
Поделиться на другие сайты
L2140
5 минут назад, B.V.A сказал:

инфа нужна по названию девайса, она на крышке, и мотора..

Далее на сайте производителя всё есть.. по правильному  подключению.. в буквах фотах и картинках..

Так ему понятней будет..

мой пункт "три" это ведь содержит. Где он мануал возьмёт : на сайте или в бардачке - дело уже частное. 

Поделиться сообщением


Ссылка на сообщение
Поделиться на другие сайты
Brovkin
3 часа назад, L2140 сказал:

 

1. Проверьте температуру кипения ОЖ

2.Проверьте чистоту пароотводов системы охлаждения

3.Определите модель подогревателя . Прочитайте о возможных неисправностях в работе . Например отказ защиты от перегрева.

4. Подогреватель установлен не рационально в систему охлаждения: циркуляция у первого цилиндра с радиатором охлаждения, что затрудняет прогрев рубашки.  Желательно делать по диагонали: подача в заднюю часть ГБЦ, отбор из нижнего шланга радиатора.

К чему это тупое копирование сервис методички, без привязки к конкретному случаю? Может ещё напругу в розетке померить? Бот какой-то..:angry:

Поделиться сообщением


Ссылка на сообщение
Поделиться на другие сайты
L2140
39 минут назад, Brovkin сказал:

К чему это тупое копирование сервис методички

приведи источник.

 

Поделиться сообщением


Ссылка на сообщение
Поделиться на другие сайты
Brovkin
3 минуты назад, L2140 сказал:

приведи источник.

 

Так ты это сам сочинил? тем хуже ))  Пункты 1 и 2 - это потеря времени, на их изучение. Ясно же. что кривая установка, или засраные шланги.

Поделиться сообщением


Ссылка на сообщение
Поделиться на другие сайты
L2140
4 минуты назад, Brovkin сказал:

Ясно же

 

Раз

4 минуты назад, Brovkin сказал:

или

выходит, что не ясно?

 

5 минут назад, Brovkin сказал:

кривая установка

не по отвесу?

 

5 минут назад, Brovkin сказал:

Так ты это сам сочинил?

а как же утверждение

55 минут назад, Brovkin сказал:

это тупое копирование сервис методички

 

 

А как если

6 минут назад, Brovkin сказал:

1 и 2 - это потеря времени

 

при

4 часа назад, L2140 сказал:

2.Проверьте чистоту пароотводов системы охлаждения

 

выходит

7 минут назад, Brovkin сказал:

засраные шланги.

 

 

Поделиться сообщением


Ссылка на сообщение
Поделиться на другие сайты
Brovkin
Только что, L2140 сказал:

 

Раз

выходит, что не ясно?

 

не по отвесу?

 

а как же утверждение

 

 

А как если

 

при

 

выходит

 

 

Ты безграмотный?  ИЛИ читать не умеешь? Куча дурацких цитат... Пароотводы роли не играют, думаешь он один раз нагреватель включал?. или там всегда воздух стоит?

Поделиться сообщением


Ссылка на сообщение
Поделиться на другие сайты
2uhuf3p2a30h

Антифриз поменял в сентябре,  летом на воде ездил, потому что закипает она у меня часто после глушения.
Антифриз Totachi класс 12+ (Этиленгликоль+карбоксилатные добавки).
Модель подогревателя не знаю, тк его устанавливал предыдущий владелец.
Протер нижнюю крышку подогревателя видно что 1.5кВт, и номер какой-то 214 373Н (фото ниже).
Поиском находится как ПЭЖ 214.373Н "Движение".

Пароотводящий патрубок, который тонкий идет на расширительный бачок, я поменял на силикон (синий) в том году.
На счет льда -я задумался и перепроверил на прогретой до 70 градусов машине . 
- Все тоже самое сначала минуты 3 тихо , затем слышно кипение в районе подогревателя и минуты еще через полторы уже из под крышки расширительного бачка бежит.

Антифриз предварительно долил по горлышко, погазовал чтобы не было подозрений на воздушные пробки, перед этим на машине проехал минут 15-20 (темп около 70С).

Установлен подогреватель внизу, где-то в районе подушек двигателя, на фото выше видно.
Насчет кронштейна двигателя я не понял, но бабочку (поперечину крепления) двигателя менял этим летом

image.thumb.png.dbb98d8062d76a47c3838cf0e2ba3fd3.png

Изменено пользователем 2uhuf3p2a30h
уточнение

Поделиться сообщением


Ссылка на сообщение
Поделиться на другие сайты
L2140
53 минуты назад, 2uhuf3p2a30h сказал:

Пароотводящий патрубок, который тонкий идет на расширительный бачок, я поменял на силикон (синий) в том году

в пароотводе участвует не только шланг. А ещё два штуцера (крышка  термоса и бачок)

Вот это всё должно иметь проходимость. Проверяется   по струе в расширительный бачок при открытом термостате .

55 минут назад, 2uhuf3p2a30h сказал:

Антифриз предварительно долил по горлышко, погазовал чтобы не было подозрений на воздушные пробки, перед этим на машине проехал минут 15-20 (темп около 70С).

пробки выгоняются после открытия термостата и крана отопителя оборотами 1000 на минуту -две. После остывания до окружающей температуры уровень ОЖ контролируется по отметкам на бачке. 

Если он под горло залит на холодном моторе, то уровень нужно откорректировать. 

1 час назад, 2uhuf3p2a30h сказал:

Поиском находится как ПЭЖ 214.373Н "Движение".

котёл пр-ва "Сибальянс". Качество судя по отзывам плохое.  Однако у Вас он работает (греется) .

Надо проверить герметичность шарикового клапана котла. Или разборкой/продувкой или по отсутствию нагрева шлангов котла равному нагреву шлангов малого круга при выключенном обогревателе и работающем ДВС.

 

1 час назад, 2uhuf3p2a30h сказал:

Насчет кронштейна двигателя я не понял

не озадачивайтесь тогда. Потом если что тему создадите. 

2 часа назад, Brovkin сказал:

или там всегда воздух стоит?

всегда. H2O формула. 

Поделиться сообщением


Ссылка на сообщение
Поделиться на другие сайты
2uhuf3p2a30h

 

Цитата

Надо проверить герметичность шарикового клапана котла.

Шариковый клапан стоит в боковом отводе котла и он работает. При включении котла жидкость нагревается в направлении вертикального отвода, боковой остается холодный. Далее доходит до термостата термостат открывается и по пароотводящей трубке идет в расширительный бачок.
При работе двигателя шланги на котел тоже заметно менее горячие чем например шланг от термостата.

Подозреваю что даже если я возьму вход со сливного отверстия на блоке двигателя это ничего не изменит, тк выход все равно в термостат а значит в пароотвод
image.thumb.png.3182632a7b8b278b8c8cfa2d06629487.png

Изменено пользователем 2uhuf3p2a30h
каритнка

Поделиться сообщением


Ссылка на сообщение
Поделиться на другие сайты

Для публикации сообщений создайте учётную запись или авторизуйтесь

Вы должны быть пользователем, чтобы оставить комментарий

Создать учетную запись

Зарегистрируйте новую учётную запись в нашем сообществе. Это очень просто!

Регистрация нового пользователя

Войти

Уже есть аккаунт? Войти в систему.

Войти
Авторизация  

×
×
  • Создать...