vertex300 2 Опубликовано 10 мая, 2014 хочу прикупить себе вот такой генератор Генератор Волга двиг.402 2-х ручейковый 120А LG 0324 СтартВОЛЬТможет кто знает, надежный или фигня Поделиться сообщением Ссылка на сообщение Поделиться на другие сайты
student209087 0 Опубликовано 29 июля, 2014 Всем привет. Прочитал всю тему не нашел. Есть такой вопрос: имеется генератор от 402 движка, маркировку не знаю(нет таблички). Можно ли его приспособить на УМЗ-4216 и что надо переделать? Поделиться сообщением Ссылка на сообщение Поделиться на другие сайты
student209087 0 Опубликовано 30 июля, 2014 Ну что, знатоков видимо нет. Поделиться сообщением Ссылка на сообщение Поделиться на другие сайты
Маг005 0 Опубликовано 2 декабря, 2014 Здрасти! Подскажите пожалуйста у меня 421движок на газеле и я не знаю какой там ген стоит но у меня все время прыгает зарядка такое ощущение будто провот какой то болтается и замыкает то нормально заряд идет то вообщена акамуляторе едиш ,показывает 10.0 v и мигает! Может поменять ген или что? Акб новый стоит тока уже раз разрядился ! На кочку наедеш и все нормально потом опять мало дает зарядку! Замучился уже! И от этого машина иной раз вообще не тянет чих пых еле разгоняется((( Поделиться сообщением Ссылка на сообщение Поделиться на другие сайты
странNik 247 Опубликовано 2 декабря, 2014 И от этого машина иной раз вообще не тянет чих пых еле разгоняется(((правильно,если гена не работает Может поменять ген или что?проверить работу ..состояние самого и РН щёток...и тд и тп Поделиться сообщением Ссылка на сообщение Поделиться на другие сайты
Маг005 0 Опубликовано 7 декабря, 2014 Ну что кто нибудь даст дельный совет или нет?? Поделиться сообщением Ссылка на сообщение Поделиться на другие сайты
Пашочек26 39 Опубликовано 7 декабря, 2014 Ну что кто нибудь даст дельный совет или нет??Проводку смотри(смотри это значит проверять не только визуально ,но и прибором), массу кабины,двигателя.Если в автоэлектрике не особо разбираешся ,то вот дельный совет -К ОПЫТНОМУ ЭЛЕКТРИКУ.Электрические системы только кажутся простыми,и на расстоянии никто точно не определит что именно с твоим авто. Поделиться сообщением Ссылка на сообщение Поделиться на другие сайты
Маг005 0 Опубликовано 15 декабря, 2014 Подскажите мне -поменял акб , думал в нем проблема оказалось нет, потом поменял щетки потом сказали мост диодный и его поменял в конце концов взял новый генератор и все ровно нет норм зарядки! Подскажите мне -поменял акб , думал в нем проблема оказалось нет, потом поменял щетки потом сказали мост диодный и его поменял в конце концов взял новый генератор и все ровно нет норм зарядки! Как же тут не удобно сидеть через тел Поделиться сообщением Ссылка на сообщение Поделиться на другие сайты
Toyota007 2 891 Опубликовано 15 декабря, 2014 (изменено) Маг005, Почисти полностью массу с двигателя на кузов.И почисти,все главные преды в коробке рядом с акб,больше у гены нет контактов. Изменено 15 декабря, 2014 пользователем Toyota007 1 Поделиться сообщением Ссылка на сообщение Поделиться на другие сайты
85rin85 146 Опубликовано 28 июля, 2015 Маг005, Почисти полностью массу с двигателя на кузов.И почисти,все главные преды в коробке рядом с акб,больше у гены нет контактов.это самое основное,что надо сделать,люди спрашивают,но такое ощущение,если им подскажешь,все равно не будут делать,даже купить мультиметр не каждый захочет:основное,что надо сделать,для нормальной работы авто и акб с генератором,как я считаю ИМХО1купить провод и два контакта(провод я покупал в отделе,где сварочники продают)кинуть его с минусовой клеммы акб ,под гайку стартера,проверить все соединения массы,т.е открутить зачистить,закрутить на место,2кинуть провод(по толще)с плюсовой клеммы акб на генератор,у меня с завода оооочень тоненький был(он идет с предохранителя ,но я кинул напрямую к акб,не знаю правильно или нет,но у меня так)3купить мультиметр4НЕ ВЕРИТЬ ПОКАЗАНИЯМ приборной панели и бортового компа5проверить напряжение на заведенном моторе,минусовой щуп мультиметра кинуть на минус акб,плюсовым мерить напряжение сперва на плюсовом выходе генератора,потом на клемме акб,если показания меняются,искать плохой контакт на предах и т.д6 все равно лучше и лечге и проще купить трехуровневый регулятор напряжения именно для своей модели генератора,прям на месте перекинуть щетки,если это позволяет конструкция авто(на умз4216 лично я только открутил масл фильтр)Родной генератор все равно без переделок не будет держать заявленные параметры,первый мой родной БАТЕ работал 12,8-13.0 вольт,второй с бычка тоже чет не захотел после моего рукоблудства нормально работать,реле регуляторы ставил от шнивы с переделкой диодного моста,и тд и тп .столько всего делал пипец,сейчас купил прамо на 120 ампер и трехуровневик,вроде успокоился и напруга стабильная,со всем моим подолнительным оборудованием,туманки,насосы,музыка и тд и тп,всем спасибо Поделиться сообщением Ссылка на сообщение Поделиться на другие сайты
PanDiman 1 901 Опубликовано 28 июля, 2015 это самое основное,что надо сделать,люди спрашивают,но такое ощущение,если им подскажешь,все равно не будут делать,даже купить мультиметр не каждый захочет:основное,что надо сделать,для нормальной работы авто и акб с генератором,как я считаю ИМХО1купить провод и два контакта(провод я покупал в отделе,где сварочники продают)кинуть его с минусовой клеммы акб ,под гайку стартера,проверить все соединения массы,т.е открутить зачистить,закрутить на место,2кинуть провод(по толще)с плюсовой клеммы акб на генератор,у меня с завода оооочень тоненький был(он идет с предохранителя ,но я кинул напрямую к акб,не знаю правильно или нет,но у меня так)3купить мультиметр4НЕ ВЕРИТЬ ПОКАЗАНИЯМ приборной панели и бортового компа5проверить напряжение на заведенном моторе,минусовой щуп мультиметра кинуть на минус акб,плюсовым мерить напряжение сперва на плюсовом выходе генератора,потом на клемме акб,если показания меняются,искать плохой контакт на предах и т.д6 все равно лучше и лечге и проще купить трехуровневый регулятор напряжения именно для своей модели генератора,прям на месте перекинуть щетки,если это позволяет конструкция авто(на умз4216 лично я только открутил масл фильтр)Родной генератор все равно без переделок не будет держать заявленные параметры,первый мой родной БАТЕ работал 12,8-13.0 вольт,второй с бычка тоже чет не захотел после моего рукоблудства нормально работать,реле регуляторы ставил от шнивы с переделкой диодного моста,и тд и тп .столько всего делал пипец,сейчас купил прамо на 120 ампер и трехуровневик,вроде успокоился и напруга стабильная,со всем моим подолнительным оборудованием,туманки,насосы,музыка и тд и тп,всем спасибоС вашего позволения хочу добавит, контакты лучше еще смазать специальной смазкой для улучшения проводимости и предотвращения образования ржавчины ! 1 Поделиться сообщением Ссылка на сообщение Поделиться на другие сайты
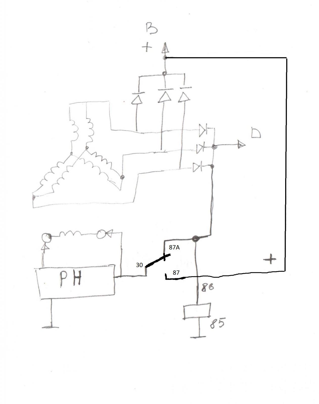
СергейН 117 Опубликовано 11 июня, 2016 Сгорело у меня реле напряжения вместе с диодами на подкове. поставил новое реле , подкову. Завел. Смотрю напряжение всего 13,5в. Мало. При включенных потребителях до 13,2в падает, а когда вентилятор включается, то вообще до 12,7в опускается. Ставил как то РН от шнивы, но много лишних движений, напаять проводки, потом просто так не заменишь, надо гену снимать. Но напряжение держало стабильно 14,2в., но не долго, меньше чем за год напруга упала до 12,5в, пришлось его менять. Такого же не попалось, пришлось ставить обычное РН. Чтобы поднять напряжение был впаян диод и о зарядке забыл на пару лет. Но ничего не бывает вечным, РН приказал долго жить и выдал в сеть 18,9в. Аккумулятор чуть не закипел а диоды на подкове отказались работать в таких условиях. И вот что я подумал, а почему бы не запитать родное РН не от диодов с точки D, а непосредственно бортовым напряжением? Тогда будет измеряться непосредственно фактическое напряжение и оно уже будет поддерживаться не зависимо от нагрузки. Но просто так нельзя подключить к +, необходимо чтобы + появлялся только когда включено зажигание. Значит надо тянуть + от замка зажигания или ставить реле, чтобы разгрузить замок. Но при таком подключении не будет работать лампа зарядки, что плохо. Похожие мысли посещали не только меня. На алгазе было обсуждение такой схемы. Я сделал немного по другому. РН подключен как обычно, но через замкнутые контакты реле, когда реле срабатывает, то оно переключает питание РН от клеммы D на + бортовой сети. Реле у меня включается от напряжения которое появляется на клемме D. Теперь обмотка клеммы D свободна, к ней можно подключить ДХО, они будут зажигаться при заведенном двигателе. Вот схема, может кому пригодиться. напряжение держит стабильно 14,2-14,3в. При всех потребителях 14,1в. Когда включается еще и вентилятор то 13,8в. Поделиться сообщением Ссылка на сообщение Поделиться на другие сайты
volgist 1 060 Опубликовано 11 июня, 2016 схему разглядеть не смог, не влазит в мониторВсе схемы, в которых напряжение генератора измеряется после прохождения через кучу контактов, в том числе подвижных контактов замка зажигания, обладают одним и тем же недостатком. В процессе эксплуатации контакты ухудшаются, растёт переходное сопротивление, стираются контакты замка зажигания, что приводит к падению напряжения в ветви измерения реле-регулятора и повышению напряжения в бортсети. Именно по этому в генераторах стараются мерять напряжение непосредственно на выпрямляющем мосту, как самое достоверное. дальше в цепи оно может только падать, за этим надо следить. 1 Поделиться сообщением Ссылка на сообщение Поделиться на другие сайты
rusgg 4 003 Опубликовано 12 июня, 2016 А схема дает возможность не следить за проводами и контактамиЕсли вдруг где будет обрыв, то гена попытается через воздух передать напряжение, путем поднятия напряжения до не мыслимых величин Поделиться сообщением Ссылка на сообщение Поделиться на другие сайты
rusgg 4 003 Опубликовано 12 июня, 2016 Правда немного не правильно схему нарисовал, контакт 30 реле идет на рн 87а на штатную систему возбуждения. 87 на дополнительную. 1 Поделиться сообщением Ссылка на сообщение Поделиться на другие сайты
rusgg 4 003 Опубликовано 12 июня, 2016 Интересная схема на японском генераторе Возбуждение постоянно подключено на толстый провод выход генератора. Дополнительное стартовое возбуждение как у всех с лампочки на панели .Но рн еще подключается На одну из фаз напрямую, я так понял для управления рн, включение, выключения Поделиться сообщением Ссылка на сообщение Поделиться на другие сайты
СергейН 117 Опубликовано 12 июня, 2016 rusgg, Спасибо что заметил, рисовал уже вечером. Исправил. За проводами и контактами можно не следить. Если оборвется какой нибудь провод, то просто не будет зарядки. Реле на 30 А,ток возбуждения РН 5А, если реле новое, то контакты хорошие и напряжение будет в норме. + на РН брать с выхода гены. Поделиться сообщением Ссылка на сообщение Поделиться на другие сайты
rusgg 4 003 Опубликовано 13 июня, 2016 А при включении зажигания реле Не срабатывает от тока лампочки на панели? И если будет неисправность генератора, при включении зажигания лапочка будет гореть как ни в чем не бывало? Поделиться сообщением Ссылка на сообщение Поделиться на другие сайты
dvitriy.40rus 500 Опубликовано 30 июня, 2016 СергейН,все правильно ты говоришь. только + надо брать с планки предохранителей после замка зажигания (там где появляется 12в только при включенном зажигании) так сделано на всех машинах с обычным регулятором напряжения. то есть. снимаем с щеток провод и подключаем на его место + от зажигания. и генератор будет добавлять напряжение в соответствии с падением при включении потребителей.volgist,ваше заключение достаточно сильно не правильно.1. питание всей машины идет с блока предохранителей и именно там важно правильное напряжение. чтобы как минимум на ЭБУ и всю проводку двигателя шли положенные вольты.2. когда постоянное напряжение только на аккумуляторе, то получается что самая важная деталь на машине это аккум. и тут я с вами не соглашусь. с моей точки зрения самым важным в электропитании, это правильное питание электросистем двигателя. при котором будет и правильная работа двигателя.3. с качеством меди в наших проводах и отсутствие запаса в сечении проводов. вы все заметили что на третьем году жизни авто начинаются проблемы с электрикой. и с этим практически ни чего не сделать. ну кроме замены автомобиля на новый. к сожалению мы не на столько богаты.производитель делает все возможное чтобы ресурс авто был 3-4 года только на время гарантии. и как минимум на этом проводке обогащаются производители электродеталей для генераторов и всяких умных и не умных реле регуляторов.это мое личное мнение и ни кому его не навязываю. Поделиться сообщением Ссылка на сообщение Поделиться на другие сайты
dvitriy.40rus 500 Опубликовано 30 июня, 2016 и эта идея с регуляторов внутри генератора идет именно от производителей генератора, а не от автозавода. нашли себе лазейку для обогащения. чтобы вы покупали более мощные генераторы которые вам не нужны и толку не прибавляется и всякие дополнительные регуляторы. Поделиться сообщением Ссылка на сообщение Поделиться на другие сайты
ЧЕЛОВЕК-ЛЕГЕНДА 20 Опубликовано 15 января, 2017 Доброго времени суток! Подскажите, какой лучше взять генератор вместо штатного на Соболь 2004 года с двигателем 406 16 кл. карбюраторный, т.к. собираюсь устанавливать преобразователь на 220В и подключать к нему электрооборудование на 2 киловата. Почитал всю эту тему и понял что хватит 120-амперного генератора..Но! Мало ли, хочется что бы был запас...нашёл в интернете и на 140А фирмы Промо. Помню лет 10 назад качество у них было не особо , выходили они из строя часто. Как сейчас с качеством у них ? У кого стоят мощные генераторы ? В принципе есть и какие-то LG на 135А... Прошу совета у тех кого стоят мощные , свыше 120А как они себя ведут и какой мне лучше взять что бы проблем не было. Импортный от другой модели не хочу т.к. нет возможности переделывать в нашем колхозе, хочется что бы стал взамен штатного. Заранее спасибо! Поделиться сообщением Ссылка на сообщение Поделиться на другие сайты
Crady 8 673 Опубликовано 15 января, 2017 какие-то LG на 135А...стоял такой,продан вместе с мотором.сразу там же возьми для него реле регулятор.не так просто его найти в продаже.гена под кальцитовые батарейки,держит 14.2-14.5.мне нравился. Поделиться сообщением Ссылка на сообщение Поделиться на другие сайты
Валерий(69) 1 511 Опубликовано 15 января, 2017 Подскажите, какой лучше взять генератор вместо штатного на Соболь 2004 года с двигателем 406 16 кл. карбюраторный,Дело в том, что все эти генераторы выдают свои амперы на стабильных оборотах ХХ, а у тебя карбюратор к-151, холостые на нем не всегда бывают стабильными. Поделиться сообщением Ссылка на сообщение Поделиться на другие сайты
rusgg 4 003 Опубликовано 15 января, 2017 (изменено) 2 киловатта с генератора автомобиля не взятьДешевле взять бензиновый генератор автономный на несколько киловатт Изменено 15 января, 2017 пользователем rusgg Поделиться сообщением Ссылка на сообщение Поделиться на другие сайты
ЧЕЛОВЕК-ЛЕГЕНДА 20 Опубликовано 15 января, 2017 Дело в том, что все эти генераторы выдают свои амперы на стабильных оборотах ХХ, а у тебя карбюратор к-151, холостые на нем не всегда бывают стабильными.Что значит на стабильных оборотах выдаёт ? Автомобильные генераторы на то и автомобильные что двигатель редко работает на стабильных оборотах, особенно в городе постоянно обороты скачут .Генераторы как бы начинают выдавать мощность с холостых и к 1.5 тысячам выходят на свой максимум . У меня на карбюраторе двигатель работает как инжекторный, очень стабильно, обороты не плавают и к тому же я думаю подсосом увеличить обороты в тот момент когда мне нужна будет большая мощность. Поделиться сообщением Ссылка на сообщение Поделиться на другие сайты