Перейти к содержанию
           
Авторизация  
Гость dachnik

Генератор и его проблемы зарядка

Рекомендуемые сообщения

Симбир

Использовать электронную шестернку,настроить панель,или обороты генератора поменять

да я с генератором и не делал ничего...как-то ни с чего началось...с механической шестеренкой электронная  взаимозаменяема? рычаг с крышкой снимал, там по-разному в них устроено...

Поделиться сообщением


Ссылка на сообщение
Поделиться на другие сайты

Кирилл

на какой странице темы

 

Не помню, но как переделать ищется поиском "регулятор напряжения от шнивы", полно описаний процесса.

 

Ну про трёхрежимку много нареканий ещё было горели они и вообще чем проще тем лучше. Я давно тоже решил диод поставить, а в процессе пришла идея вывести провод на аккум, чтоб его "щупал" РН, но напруга так сильно поднялась что пришлось отказаться. А убирать провод лень стало, я и соеденил его с теми диодами и этот провод сыграл роль доп. диода, напряжение поднялось. Потом наткнулся на тему с шнивским РН.

  • Нравится 1

Поделиться сообщением


Ссылка на сообщение
Поделиться на другие сайты
Crady

 

 


но как переделать ищется поиском "регулятор напряжения от шнивы",
только уточни,про нового образца речь.я на шниве переделывал на такой,там ещё и перемычку в диодном мосту кусать надо,но!есть с ним одно но,некоторые приборки при напруге 14.1-14.3 всё равно не гасят лампочку аварии,не так и не сяк.приходится там вешать лампочку от габаритов в паралель с резисторами нагрузочными.есть вариант перепаять сами резисторы и диоды,ещё пара таких же.но была лампочка. :D

Поделиться сообщением


Ссылка на сообщение
Поделиться на другие сайты
Кирилл

Я не кусал перемычку, выводил провод с клеммы регулятора, так можно в случае чего обычный поставить рн. Естественно новый, я же номер его написал 844.3702, он с двумя проводками, на плюс гены и фазный вывод. Лампочку на приборке зажигает и гасит уже сам регулятор, даже видно что при включении зажигания она чуть с запозданием зажигается.

Изменено пользователем Кирилл

Поделиться сообщением


Ссылка на сообщение
Поделиться на другие сайты
Crady

 

 


Лампочку на приборке зажигает и гасит уже сам регулятор, даже видно что при включении зажигания она чуть с запозданием зажигается.
после 400 оборотов он включается.до этого гена не работает.и лампочка на панели,в зависимости от панели,может и не погаснуть.

Поделиться сообщением


Ссылка на сообщение
Поделиться на другие сайты
Gazecus59

На днях поменял гену,306 тыр завод прошёл, один раз менял подшипники, уже съело кольца на валу, купил прамо80-ку,4к

Поделиться сообщением


Ссылка на сообщение
Поделиться на другие сайты
rusgg

Нашел одну схему с проводом для контроля напряжения,что то я не вижу ничего такого,и лампочкой мигать он не умеет

post-17901-0-40278100-1543120128_thumb.jpg

Поделиться сообщением


Ссылка на сообщение
Поделиться на другие сайты
Кирилл

Так это не тот, по номеру.

Вот внутренности похожего на мой, я тоже вскрывал, там монокристалл был, и описание тогда же вычитал что чип Моторолла там. Разница у них в управлении возбужением по плюсу или минусу.

 

post-9-0-10692500-1543138068_thumb.jpg

  • Нравится 1

Поделиться сообщением


Ссылка на сообщение
Поделиться на другие сайты

Crady

 

 


тогда же вычитал что чип Моторолла там
в регуляторах старвольт он же,да и ещё много где его пихают.на вазах практически во всех новых регуляторах он же,даже в некоторых бошеских генераторах.

Поделиться сообщением


Ссылка на сообщение
Поделиться на другие сайты
rusgg

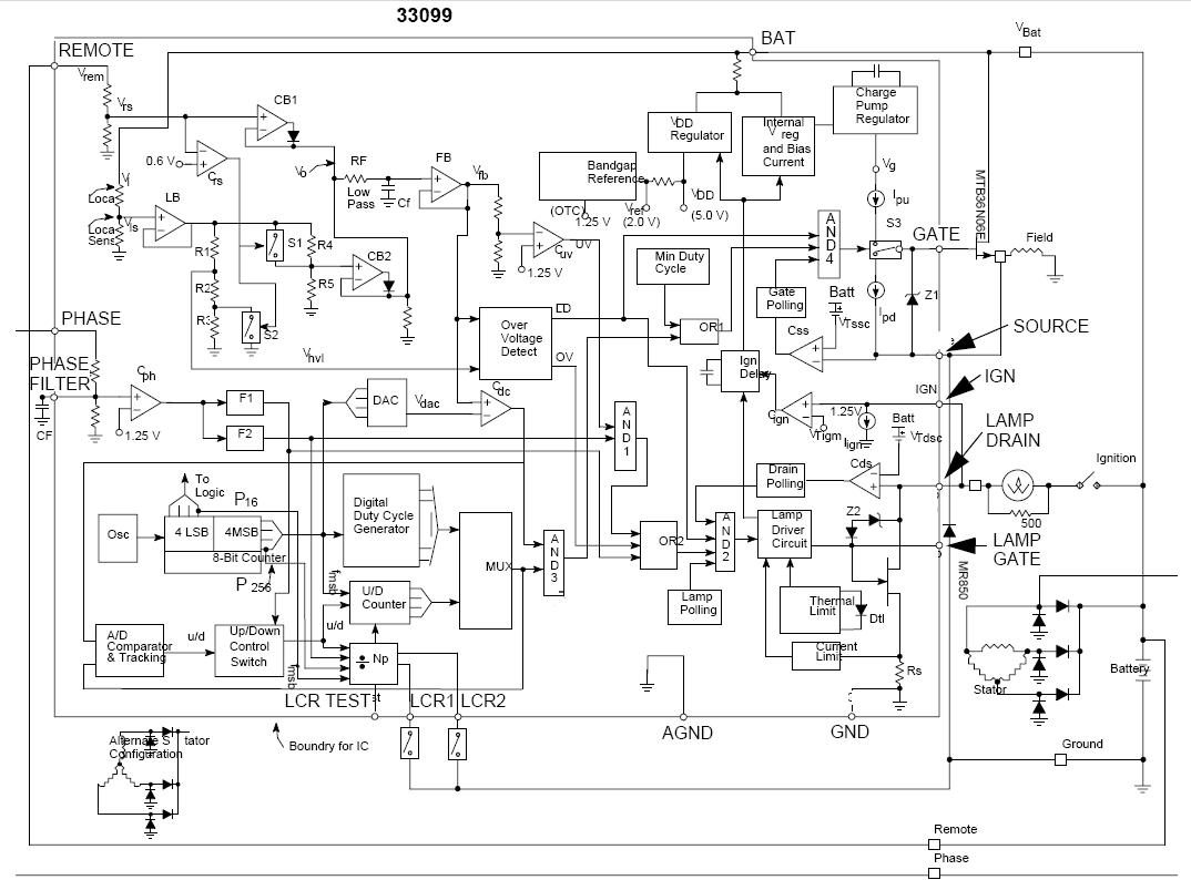
Серьезная схема

post-17901-0-43376600-1543144446_thumb.jpg

  • Нравится 1

Поделиться сообщением


Ссылка на сообщение
Поделиться на другие сайты
t-r-a-k-t-a-r

Я не кусал перемычку, выводил провод с клеммы регулятора, так можно в случае чего обычный поставить рн. Естественно новый, я же номер его написал 844.3702, он с двумя проводками, на плюс гены и фазный вывод. Лампочку на приборке зажигает и гасит уже сам регулятор, даже видно что при включении зажигания она чуть с запозданием зажигается.

тогда уж этот ставить https://www.vtnauto.com/ru/9333-04i11i12.html

Поделиться сообщением


Ссылка на сообщение
Поделиться на другие сайты
Кирилл

А он встанет на генератор газели? Блин, я уж забыл как там что...

Поделиться сообщением


Ссылка на сообщение
Поделиться на другие сайты
vlad75

Зачем этим регуляторам переменный ток (клемма W) &

Поделиться сообщением


Ссылка на сообщение
Поделиться на другие сайты
Берси
rusgg

Зачем этим регуляторам переменный ток (клемма W) &

Обороты генератора измеряет регулятор

Поделиться сообщением


Ссылка на сообщение
Поделиться на другие сайты
ZAN57

rusgg сказал(а) 24 Ноя 2018 - 21:30:snapback.png

На каких-то моторах да

что делать?

 

 

1. эл. датчик на КПП, спидометр под датчик на щиток.

2 вариант- градуируешь тахометр краской под 4 и 5 передачи на скорость (разным цветом на 4 и 5ю), как бы второй шкалой, в зоне 50-110км/ч, другого и не надо. Будет как на самолете. У меня на Лифане Х60 был спидометр, а по внешнему кругу тахометр, только конец стрелки был виден.

Изменено пользователем ZAN57

Поделиться сообщением


Ссылка на сообщение
Поделиться на другие сайты
Симбир

rusgg сказал(а) 24 Ноя 2018 - 21:30:snapback.png

что делать?

 

 

1. эл. датчик на КПП, спидометр под датчик на щиток.

2 вариант- градуируешь тахометр краской под 4 и 5 передачи на скорость (разным цветом на 4 и 5ю), как бы второй шкалой, в зоне 50-110км/ч, другого и не надо. Будет как на самолете. У меня на Лифане Х60 был спидометр, а по внешнему кругу тахометр, только конец стрелки был виден.

как это " эл. датчик на КПП, спидометр под датчик на щиток"?

Поделиться сообщением


Ссылка на сообщение
Поделиться на другие сайты
ZAN57

Алексей Ф. сказал(а)snapback.png

на какой странице темы

Не помню, но как переделать ищется поиском "регулятор напряжения от шнивы", полно описаний процесса.

Ну про трёхрежимку много нареканий ещё было горели они и вообще чем проще тем лучше. Я давно тоже решил диод поставить, а в процессе пришла идея вывести провод на аккум, чтоб его "щупал" РН, но напруга так сильно поднялась что пришлось отказаться. А убирать провод лень стало, я и соеденил его с теми диодами и этот провод сыграл роль доп. диода, напряжение поднялось. Потом наткнулся на тему с шнивским РН.        

 

Ну вот, оставалось сделать не 1, а 2 или 3, а провода от них вывести на панель на переключатель. Будет что то типа магазина диодов, получится "ручная трехрежимка". Обладая вольтметром на торпеде будешь вообще король- меняй напругу под конкретные условия сам, как удобно в любую жару или холод, при любой нагрузке. Я уже решил так сделать, пока некогда, тк радовался приобретению гены 140А, а оказалось что ток он держит, любую нагрузку, а вот температуру нет. По мере нагрева начинает с 14,4 и падает, падает до 13в и даже ниже. Надоела эта проблема с напряжением, надо закрыть её раз и навсегда- поручить САМОМУ СЕБЕ регулировать напряжение, точнее задавать пределы регулировки самому, а не РН.

Поделиться сообщением


Ссылка на сообщение
Поделиться на другие сайты
rusgg

как это " эл. датчик на КПП, спидометр под датчик на щиток"?

Кпп одинаковые,что под датчик,что под трос.

Панель приборов есть под датчик,а есть под трос.

Поделиться сообщением


Ссылка на сообщение
Поделиться на другие сайты
ZAN57

как это " эл. датчик на КПП, спидометр под датчик на щиток"?

 

Ну или эл. шестеренку под щиток. Я о том, что может быть разное количество импульсов с датчика и рабочее у спидометра. Я помню на УАЗ вставлял микросхему на счетчик импульсов, по моему ИГ,  тк соотношение было 1/1,6- разница американских и европейских км/миль. Не знаю, какие сейчас идут на газелях. Я брал датчик Жигулевский, тогда электронных для УАЗов просто не было. А оказалось, что УАЗ крутил механической шестеренкой мили а не километры. Жигулевский подходил по резьбе, но импульсам мерил КМ, а УАЗовская коробка на червяке меряла мили. Зря я тебе это пишу, сразу не понял, что щиток у тебя электронный родной а не тросовый,  а проблема только в старой КПП.

Изменено пользователем ZAN57

Поделиться сообщением


Ссылка на сообщение
Поделиться на другие сайты
Симбир

Кпп одинаковые,что под датчик,что под трос.

Панель приборов есть под датчик,а есть под трос.

попробую сегодня заменить механический привод под трос и электронный датчик...Конечно,можно ездить по сигналу  со спутника...скорость-то там показывает, а обороты по бк...но это крайне неудобно

Изменено пользователем Симбир

Поделиться сообщением


Ссылка на сообщение
Поделиться на другие сайты
Кирилл

Зачем этим регуляторам переменный ток (клемма W)

 

РН определяет что генератор вышел на рабочие обороты (двигатель завёлся) и включает возбуждение.
  • Нравится 1

Поделиться сообщением


Ссылка на сообщение
Поделиться на другие сайты
vlad75

Мысль интересная, но есть маленькое НО. Без возбуждения не будет переменки на W. ;)

Поделиться сообщением


Ссылка на сообщение
Поделиться на другие сайты
rusgg

Так даст он немного ,чтобы генератор работал немного

Поделиться сообщением


Ссылка на сообщение
Поделиться на другие сайты
rusgg

Вообще там фильтр стоит на W входе,возможно регулятор измеряет не обороты ,а напряжение.

Поделиться сообщением


Ссылка на сообщение
Поделиться на другие сайты

Для публикации сообщений создайте учётную запись или авторизуйтесь

Вы должны быть пользователем, чтобы оставить комментарий

Создать учетную запись

Зарегистрируйте новую учётную запись в нашем сообществе. Это очень просто!

Регистрация нового пользователя

Войти

Уже есть аккаунт? Войти в систему.

Войти
Авторизация  

×
×
  • Создать...